kenmore coldspot refrigerator wiring diagram

KENMORE REFRIGERATOR Parts | Model 25370342411 | Sears PartsDirect. 16 Images about KENMORE REFRIGERATOR Parts | Model 25370342411 | Sears PartsDirect : Kenmore Refrigerator Wiring Diagram - Free Wiring Diagram, Compressor Wiring Diagram Kenmore Refrigerator - 23 and also Kenmore Refrigerator Wiring Diagram - Free Wiring Diagram.

KENMORE REFRIGERATOR Parts | Model 25370342411 | Sears PartsDirect

KENMORE REFRIGERATOR Parts | Model 25370342411 | Sears PartsDirect www.searspartsdirect.com

refrigerator wiring diagram kenmore schematic bottom mount norcold number electrical searspartsdirect

Our Kenmore Elite Refrigerator's Temperature Keeps Going Up Even When

Our Kenmore Elite Refrigerator's temperature keeps going up even when www.justanswer.com

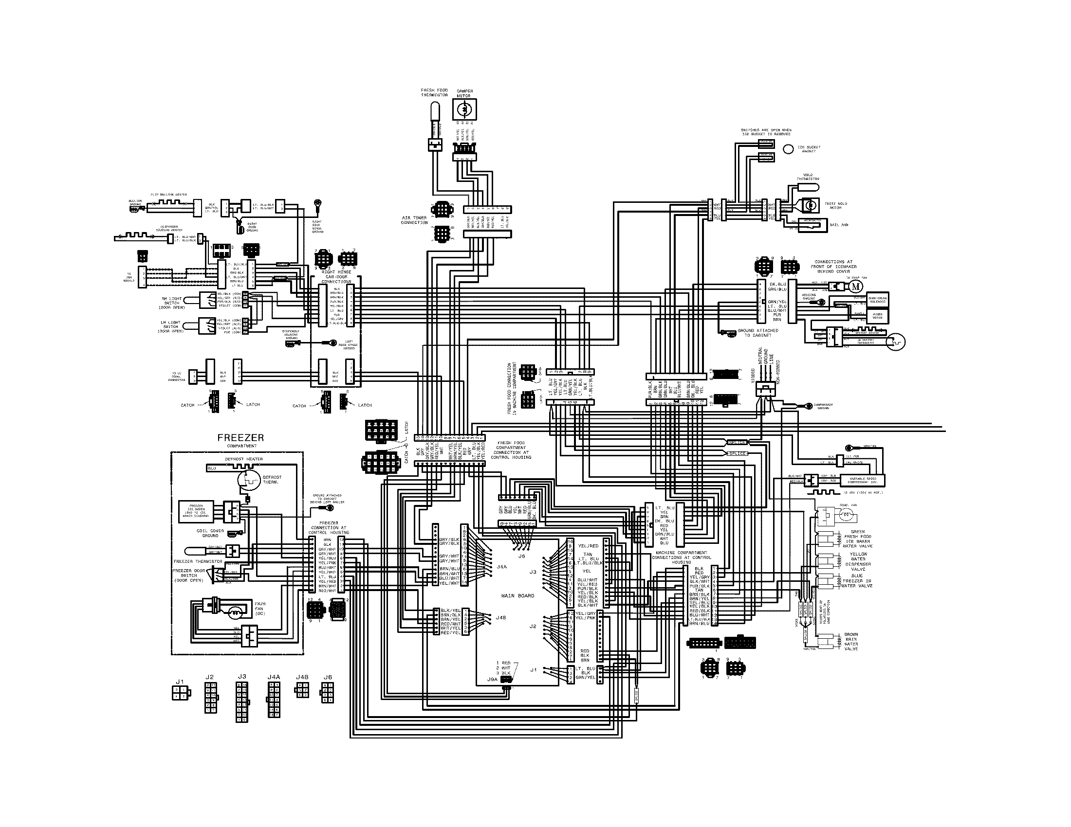
refrigerator kenmore elite diagram keeps temperature going appliance

Kenmore Coldspot Refrigerator Troubleshooting | Saston

kenmore coldspot refrigerator troubleshooting | saston saston.myblog.it

kenmore refrigerator coldspot troubleshooting sears

KENMORE Refrigerator Parts | Model 25344309400 | Sears PartsDirect

KENMORE Refrigerator Parts | Model 25344309400 | Sears PartsDirect www.searspartsdirect.com

wiring refrigerator diagram kenmore elite schematic parts ge profile searspartsdirect

Compressor Wiring Diagram Kenmore Refrigerator - 23

Compressor Wiring Diagram Kenmore Refrigerator - 23 rafiqahumuhabibah.blogspot.com

kenmore coldspot porkrind

31 Kenmore Ice Maker Parts Diagram - Wire Diagram Source Information

31 Kenmore Ice Maker Parts Diagram - Wire Diagram Source Information wiringdiagrammechanic.blogspot.com

kenmore frigidaire

Kenmore Refrigerator Wiring Diagram - Free Wiring Diagram

Kenmore Refrigerator Wiring Diagram - Free Wiring Diagram jalishamav.blogspot.com

manuals searspartsdirect

KENMORE REFRIGERATOR COLDSPOT MODEL 106 MANUAL - Noirirecti

KENMORE REFRIGERATOR COLDSPOT MODEL 106 MANUAL - Noirirecti noirirecti.ml

kenmore refrigerator coldspot

30 Kenmore Elite Refrigerator Diagram - Wiring Diagram List

30 Kenmore Elite Refrigerator Diagram - Wiring Diagram List skippingtheinbetween.blogspot.com

kenmore

33 Kenmore Coldspot Model 106 Parts Diagram - Wiring Diagram List

33 Kenmore Coldspot Model 106 Parts Diagram - Wiring Diagram List skippingtheinbetween.blogspot.com

kenmore coldspot refrigerators

28 Kenmore Coldspot Model 106 Parts Diagram - Free Wiring Diagram Source

28 Kenmore Coldspot Model 106 Parts Diagram - Free Wiring Diagram Source mickygurlz.blogspot.com

coldspot kenmore permanently

Kenmore Elite Refrigerator Diagram - General Wiring Diagram

Kenmore Elite Refrigerator Diagram - General Wiring Diagram galvinconanstuart.blogspot.com

refrigerator whirlpool diagram parts door kenmore fridge elite side wiring thermostat freezer beko french wire manual sears circuit defrost doors

Kenmore Coldspot Model 106 Parts Diagram - Wiring Diagram

Kenmore Coldspot Model 106 Parts Diagram - Wiring Diagram jumpstarterdiscount.blogspot.com

kenmore refrigerator parts elite diagram door coldspot list wiring searspartsdirect repair sears manual user guide

Kenmore Model 25370342210 Bottom-mount Refrigerator Genuine Parts

Kenmore model 25370342210 bottom-mount refrigerator genuine parts www.searspartsdirect.com

kenmore diagram wiring refrigerator bottom mount

Parts Manual For Kenmore Elite Refrigerator | Reviewmotors.co

Parts Manual For Kenmore Elite Refrigerator | Reviewmotors.co reviewmotors.co

kenmore wiring elite refrigerator diagram parts range fuel dual electric slide manual gas appliancetimers

Appliance Wiring Diagram - Wiring Diagram Networks

Appliance Wiring Diagram - Wiring Diagram Networks kelvin-okl.blogspot.com

kenmore schematic

28 kenmore coldspot model 106 parts diagram. Wiring refrigerator diagram kenmore elite schematic parts ge profile searspartsdirect. Compressor wiring diagram kenmore refrigerator