kenmore 80 series wiring diagram

Kenmore model 79098053002 free standing, electric genuine parts. 18 Pictures about Kenmore model 79098053002 free standing, electric genuine parts : Wiring Diagram For Kenmore 80 Series Dryer | schematic and wiring diagram, Kenmore model 79098053002 free standing, electric genuine parts and also Badland Winch Wiring Diagram.

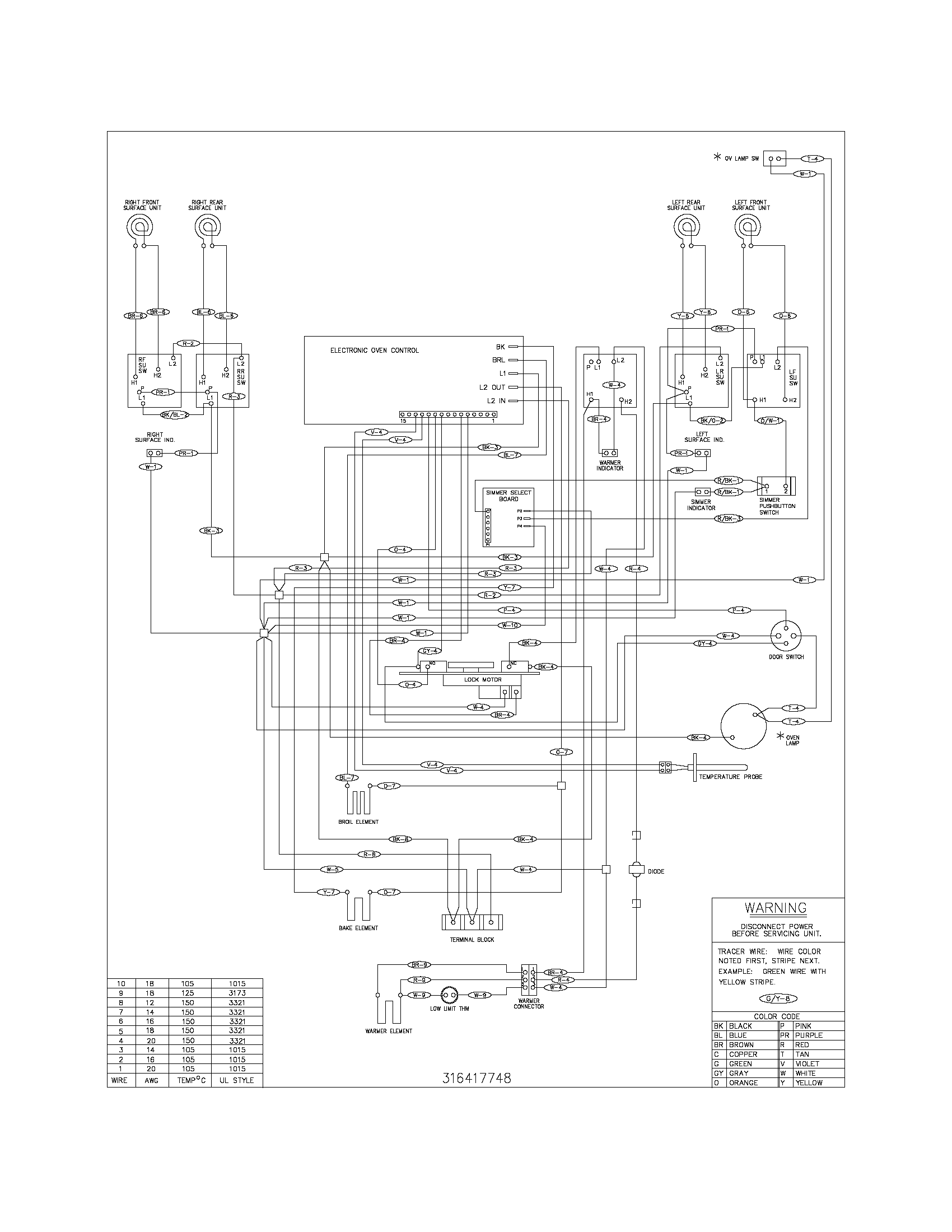
Kenmore Model 79098053002 Free Standing, Electric Genuine Parts

Kenmore model 79098053002 free standing, electric genuine parts www.searspartsdirect.com

kenmore

Wiring Diagram For Alpine Car Stereo

Wiring Diagram For Alpine Car Stereo www.tankbig.com

wiring alpine diagram stereo harness radio

I Received A Replacement Motor For My Kenmore 90 Series Dryer. The

I received a replacement motor for my Kenmore 90 series dryer. The www.justanswer.com

kenmore replacement wiring

Ats Control Wiring Diagram

Ats Control Wiring Diagram www.tankbig.com

diagram switch transfer ats wiring control automatic power change schematic circuit

Squier P Bass Wiring

Squier P Bass Wiring www.tankbig.com

wiring bass pj diagram jazz fender squier guitar tankbig wire elegant library precision diagrams electric pickups

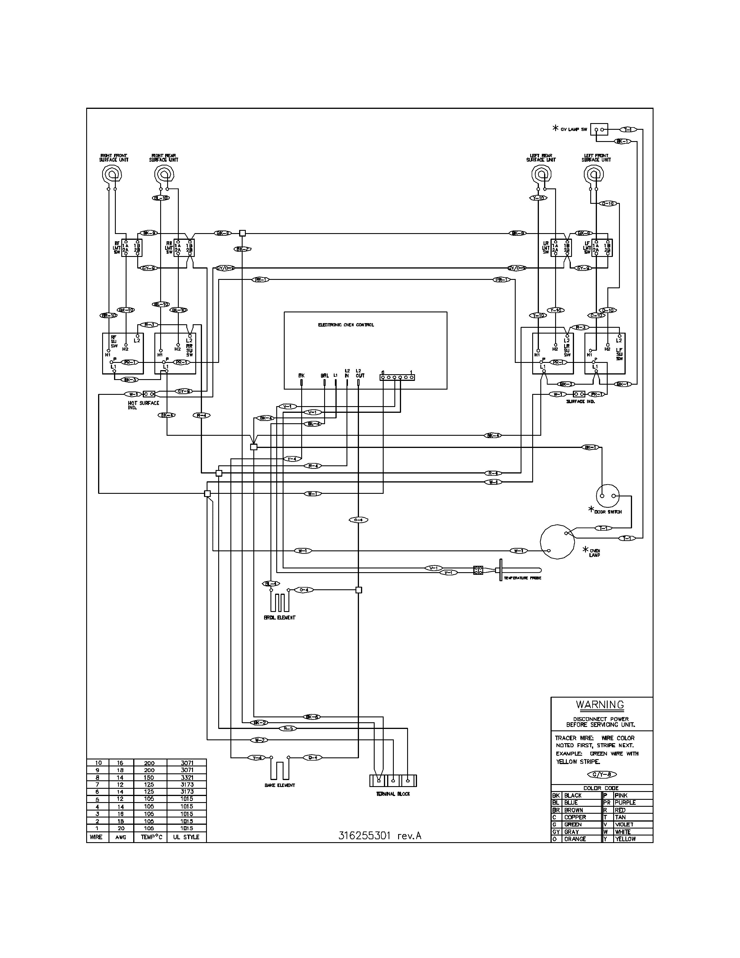
Kenmore Model 79094229409 Free Standing, Electric Genuine Parts

Kenmore model 79094229409 free standing, electric genuine parts www.searspartsdirect.com

kenmore wiring parts electric schematic range diagram standing searspartsdirect

Part Out 2009 Mini Cooper S R56 Turbo 6 Speed 89k Miles Engine – Car

Part Out 2009 Mini Cooper S R56 Turbo 6 Speed 89k Miles Engine – Car www.tankbig.com

r56 89k

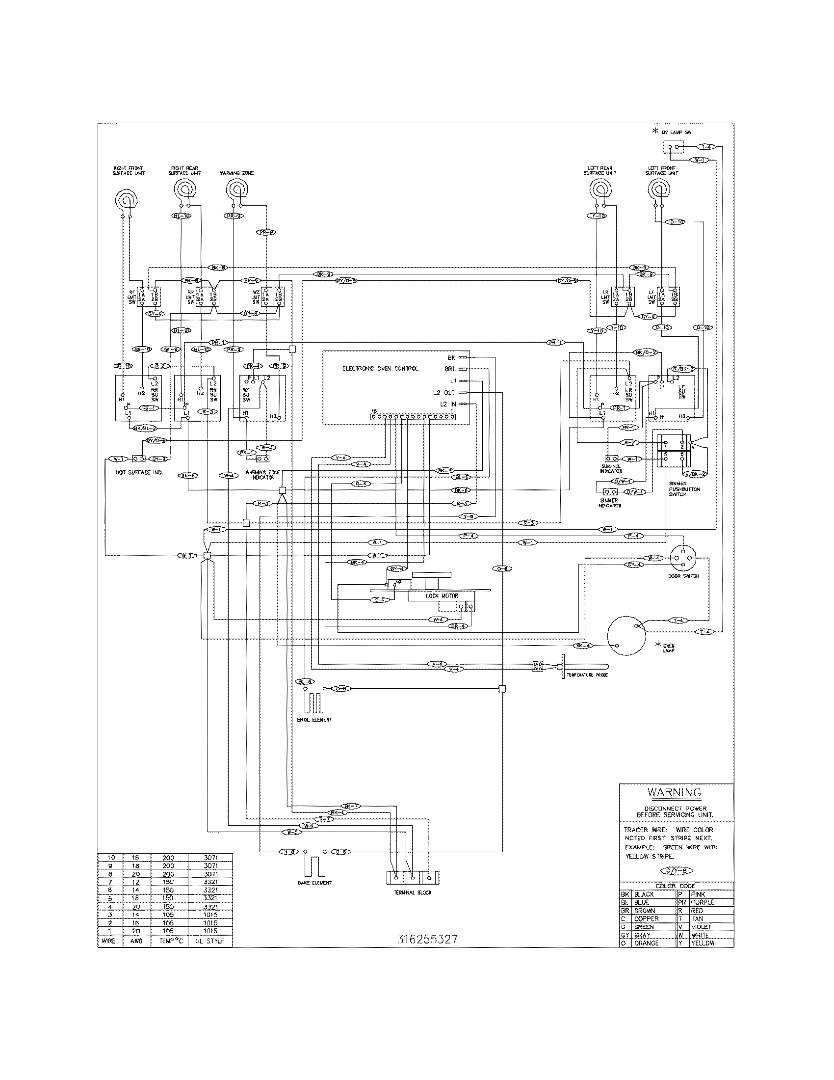
33 Kenmore Electric Range Wiring Diagram - Wiring Diagram List

33 Kenmore Electric Range Wiring Diagram - Wiring Diagram List skippingtheinbetween.blogspot.com

kenmore

Kenmore Model 79095032500 Free Standing, Electric Genuine Parts

Kenmore model 79095032500 free standing, electric genuine parts www.searspartsdirect.com

wiring diagram kenmore standing electric

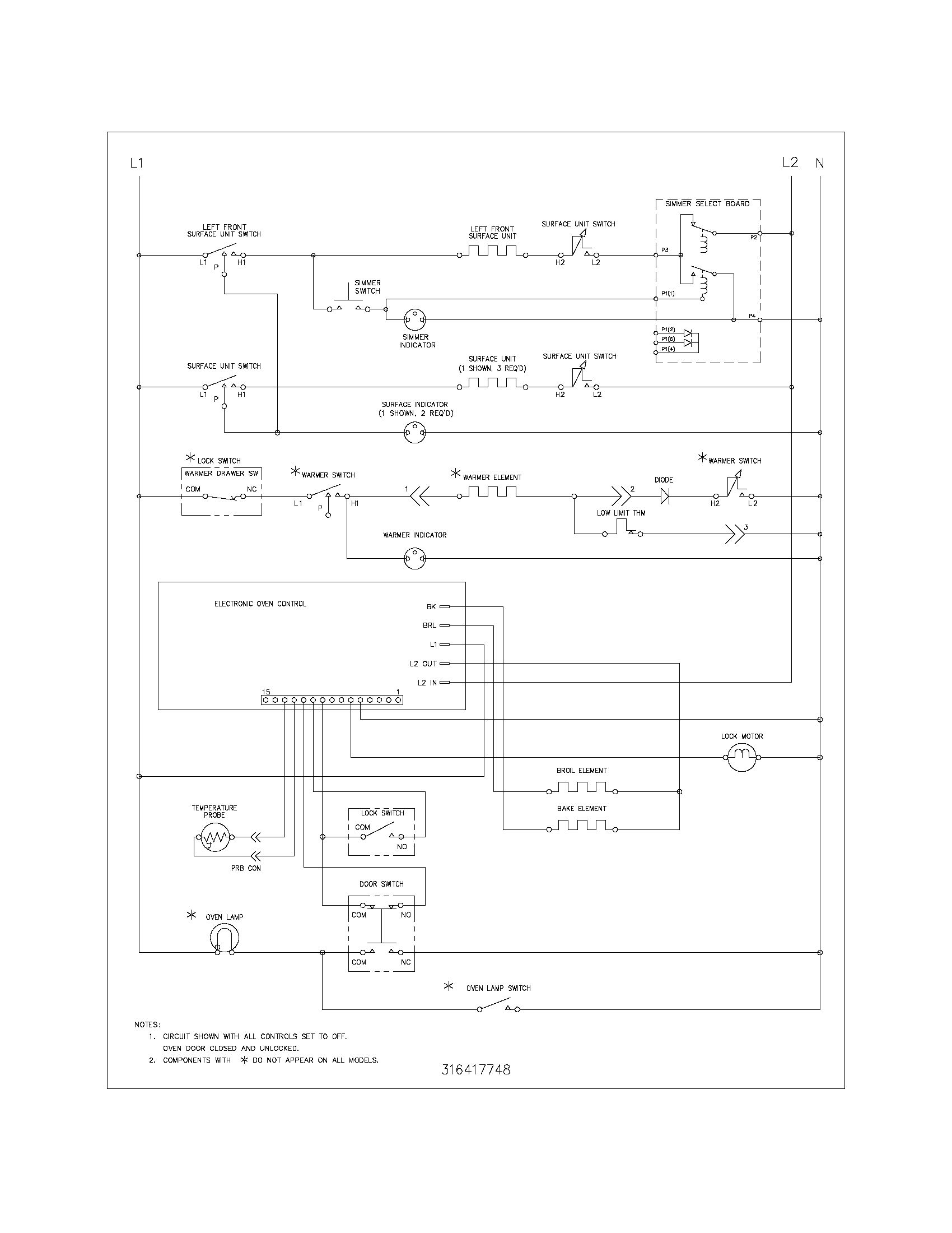
KENMORE ELECTRIC RANGE Parts | Model 79092683301 | Sears PartsDirect

KENMORE ELECTRIC RANGE Parts | Model 79092683301 | Sears PartsDirect www.searspartsdirect.com

refrigerator kenmore mitsubishi

KENMORE | Model #79096419407 | ELECTRIC RANGE | SearsPartsDirect.com

KENMORE | Model #79096419407 | ELECTRIC RANGE | SearsPartsDirect.com commercial.searspartsdirect.com

kenmore schematic searspartsdirect

Berlingo Wiring Diagram

Berlingo Wiring Diagram www.tankbig.com

berlingo diagram wiring fuse multispace citroen box

Basic Residential Wiring

Basic Residential Wiring www.tankbig.com

wiring basic residential april circuits

33 Kenmore Electric Range Wiring Diagram - Wiring Diagram List

33 Kenmore Electric Range Wiring Diagram - Wiring Diagram List skippingtheinbetween.blogspot.com

kenmore

Intercom Wiring Diagram

Intercom Wiring Diagram www.tankbig.com

diagram intercom wiring commax system dr unit button extension audio wire 6us 12us multi connectable

Wiring Diagram For Kenmore 80 Series Dryer | Schematic And Wiring Diagram

Wiring Diagram For Kenmore 80 Series Dryer | schematic and wiring diagram schematicandwiringdiagram.blogspot.com

kenmore diagram wiring dryer series elite schematic

Kenmore Model 79094229409 Free Standing, Electric Genuine Parts

Kenmore model 79094229409 free standing, electric genuine parts www.searspartsdirect.com

kenmore diagram wiring electric range parts standing searspartsdirect schematic

Badland Winch Wiring Diagram

Badland Winch Wiring Diagram www.tankbig.com

winch wiring diagram badland harbor freight lb sponsored links

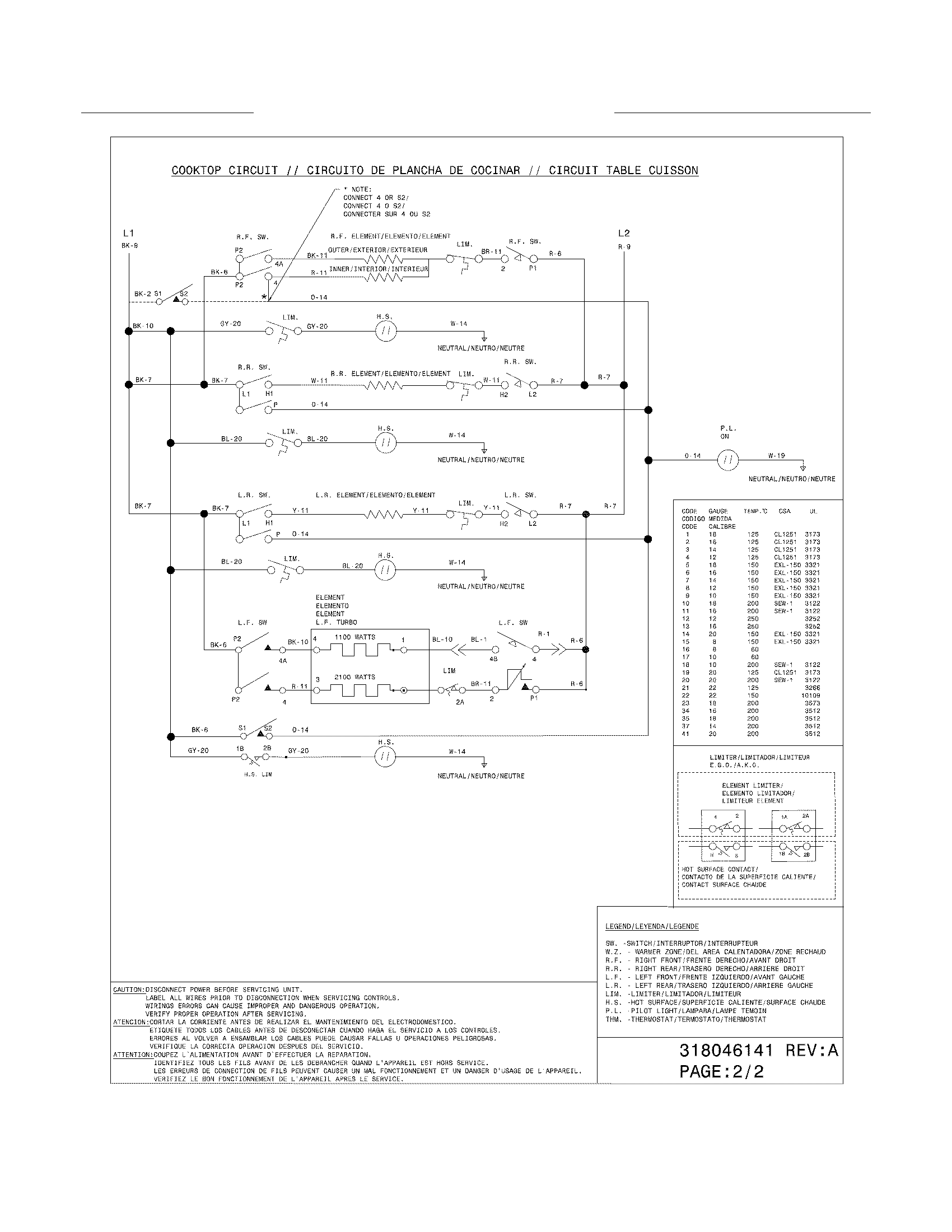
Berlingo diagram wiring fuse multispace citroen box. Kenmore electric range parts. Wiring alpine diagram stereo harness radio