kelvinator stove wiring diagram

Kelvinator Oven Manual Electrical Timer - Appliance Parts Online. 17 Images about Kelvinator Oven Manual Electrical Timer - Appliance Parts Online : Frigidaire Electric Range Wiring Diagram Gallery, Kelvinator Ac Wiring Diagram and also Need A Wiring Diagram For The Oven Thermostat Control Model# MER4110AAW..

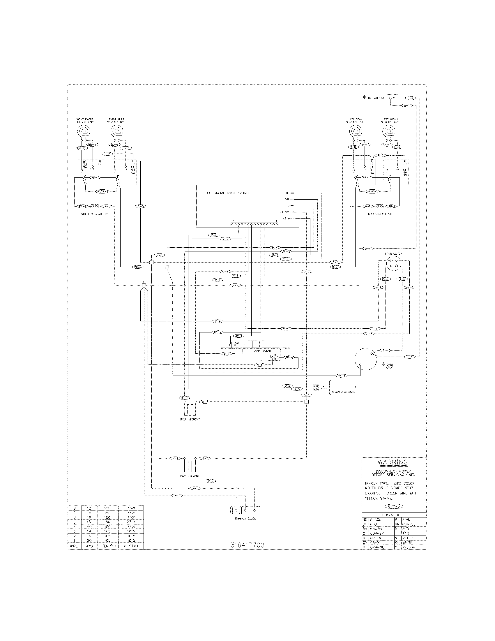
Kelvinator Oven Manual Electrical Timer - Appliance Parts Online

Kelvinator Oven Manual Electrical Timer - Appliance Parts Online appliancepartsonline.co.za

kelvinator oven appliancepartsonline

KELVINATOR 6 HEAT SELECTOR SWITCH NT-08 | Lategan And Van Biljoens

KELVINATOR 6 HEAT SELECTOR SWITCH NT-08 | Lategan And Van Biljoens www.appliancespares.co.za

switch selector heat kelvinator

Frigidaire Electric Range Wiring Diagram Gallery

Frigidaire Electric Range Wiring Diagram Gallery wholefoodsonabudget.com

wiring diagram electric defy range stove stoves frigidaire prong outlet hob cooker wire oven diagrams gemini alarm fresh cord plug

KELVINATOR OVEN THERMOSTAT | Lategan And Van Biljoens | Appliance

KELVINATOR OVEN THERMOSTAT | Lategan And Van Biljoens | Appliance www.appliancespares.co.za

thermostat kelvinator oven

KELVINATOR GAS / ELECTRIC STOVE SELECTOR SWITCH (FD109) | Lategan And

KELVINATOR GAS / ELECTRIC STOVE SELECTOR SWITCH (FD109) | Lategan And www.appliancespares.co.za

kelvinator selector

KELVINATOR ELECTRIC RANGE Parts | Model Kef355dsa | Sears PartsDirect

KELVINATOR ELECTRIC RANGE Parts | Model kef355dsa | Sears PartsDirect www.searspartsdirect.com

range kenmore frigidaire electric diagram wiring kelvinator parts searspartsdirect

Furnace Parts: Kelvinator Furnace Parts

Furnace Parts: Kelvinator Furnace Parts furnacepartsrusakasu.blogspot.com

kelvinator

Kelvinator Ac Wiring Diagram - Home Wiring Diagram

Kelvinator Ac Wiring Diagram - Home Wiring Diagram homewiringdiagram.blogspot.com

hvac kelvinator atwood bookingritzcarlton

Hotpoint Refrigerator Wiring Diagram - Wiring Diagram

Hotpoint Refrigerator Wiring Diagram - Wiring Diagram wiring121.blogspot.com

hotpoint

Kelvinator RER305CD2 Range - Oven/Stove (electric) Parts

Kelvinator RER305CD2 Range - Oven/Stove (electric) Parts www.genuinereplacementparts.com

kelvinator electric

Englander Pellet Stove Thermostat Install | #Only The Best

Englander Pellet Stove Thermostat Install | #Only The Best bestpelletstoves.blogspot.com

pellet stove englander thermostat wiring diagram install fusebox heater schematic reverse fr england camera

Wiring Diagram For Roper Refrigerator | Schematic And Wiring Diagram

Wiring Diagram For Roper Refrigerator | schematic and wiring diagram schematicandwiringdiagram.blogspot.com

Need A Wiring Diagram For The Oven Thermostat Control Model# MER4110AAW.

Need A Wiring Diagram For The Oven Thermostat Control Model# MER4110AAW. www.justanswer.com

wiring oven diagram thermostat control wires need tell appliance

Kelvinator Ac Wiring Diagram - Home Wiring Diagram

Kelvinator Ac Wiring Diagram - Home Wiring Diagram homewiringdiagram.blogspot.com

wiring kelvinator

Kelvinator Refrigerator Wiring Diagram - 6

Kelvinator Refrigerator Wiring Diagram - 6 tisptaiei.blogspot.com

kelvinator wiring

Kelvinator Ac Wiring Diagram

Kelvinator Ac Wiring Diagram wiringdiagramall.blogspot.com

kelvinator wiring diagram ac refrigeration genuine commercial parts

48 Best Funny Images | Funny, Funny Pictures, Humor

48 Best Funny images | Funny, Funny pictures, Humor www.pinterest.com

stove diagram funny plates electric rotary

Kelvinator oven thermostat. Englander pellet stove thermostat install. Kelvinator electric range parts