jlg 600aj wiring diagram

Electrical schematic - sheet 2 of 16 -14 | JLG 340AJ Service Manual. 13 Pics about Electrical schematic - sheet 2 of 16 -14 | JLG 340AJ Service Manual : Jlg Boom Lift 600s Parts Manual | Reviewmotors.co, JLG 26MRT Service Manual User Manual | Page 56 / 62 | Original mode and also Jlg Wiring Diagram - Wiring Diagrams.

Electrical Schematic - Sheet 2 Of 16 -14 | JLG 340AJ Service Manual

Electrical schematic - sheet 2 of 16 -14 | JLG 340AJ Service Manual www.manualsdir.com

jlg manual service

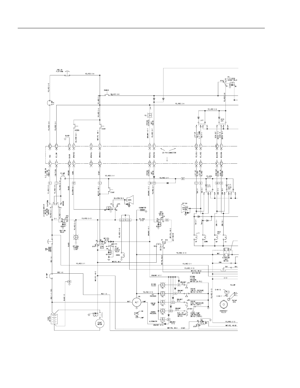
Jlg 450aj Wiring Diagram - Wiring Diagram

Jlg 450aj Wiring Diagram - Wiring Diagram wiringdiagram.2bitboer.com

jlg 450a 450aj wiring

Wiring Harness Installation - Sheet 4 Of 7 -13 | JLG 1250AJP Service

Wiring harness installation - sheet 4 of 7 -13 | JLG 1250AJP Service www.manualsdir.com

manual 1250ajp jlg service harness sheet

JLG 26MRT Service Manual User Manual | Page 56 / 62 | Original Mode

JLG 26MRT Service Manual User Manual | Page 56 / 62 | Original mode www.manualsdir.com

jlg

Jlg Wiring Diagram - Wiring Diagrams

Jlg Wiring Diagram - Wiring Diagrams cars-wiringdiagram.blogspot.com

jlg 260mrt

27 Jlg Scissor Lift Wiring Diagram - Wiring Database 2020

27 Jlg Scissor Lift Wiring Diagram - Wiring Database 2020 rachelleogyaz.blogspot.com

jlg scissor

JLG 660SJ Service Manual User Manual | Page 312 / 328 | Also For: 600S

JLG 660SJ Service Manual User Manual | Page 312 / 328 | Also for: 600S www.manualsdir.com

jlg 660sj

Jlg Boom Lift 600s Parts Manual | Reviewmotors.co

Jlg Boom Lift 600s Parts Manual | Reviewmotors.co reviewmotors.co

jlg 1930es 600s 2630es 800aj reviewmotors gciron

Platform Control Module Pin Connections 2 Of 2 -53 | JLG 660SJ Service

Platform control module pin connections 2 of 2 -53 | JLG 660SJ Service www.manualsdir.com

660sj jlg

Upright Scissor Lift Wiring Diagram - Wiring Diagram

upright scissor lift wiring diagram - Wiring Diagram wiringdiagram.2bitboer.com

qd aim rhombus sje franklinwater manlift

Figure 3-1. Booms And Limit Switches Installations, Booms And Limit

Figure 3-1. booms and limit switches installations, Booms and limit www.manualsdir.com

manual 60ha jlg parts

Jlg Wiring Diagram - Wiring Diagrams

Jlg Wiring Diagram - Wiring Diagrams cars-wiringdiagram.blogspot.com

jlg wiring scissor 1930es 2630es replacement 2030es 3246es manlift 2646es

Figure 7-2. Wiring Diagram - Dual Fuel | JLG 70H Parts Manual User

Figure 7-2. wiring diagram - dual fuel | JLG 70H Parts Manual User www.manualsdir.com

jlg 70h

Figure 7-2. wiring diagram. Manual 1250ajp jlg service harness sheet. Jlg 70h