jeep xj engineponents diagram

2000 Jeep XJ Horrible miss I can’t fix! - Page 2 - Jeep Cherokee Forum. 17 Images about 2000 Jeep XJ Horrible miss I can’t fix! - Page 2 - Jeep Cherokee Forum : Rolled But Not Resting: The Davenport’s 2001 Jeep XJ Cherokee, Jeep car - cute picture | Jeep xj, Jeep cherokee, Jeep cherokee xj and also Jeep XJ Cherokee Headliner Replacement.

2000 Jeep XJ Horrible Miss I Can’t Fix! - Page 2 - Jeep Cherokee Forum

2000 Jeep XJ Horrible miss I can’t fix! - Page 2 - Jeep Cherokee Forum www.cherokeeforum.com

xj 2000 jeep horrible fix miss

SFR Jeep XJ Cherokee Weld-in Inner Frame Plate & Steering Box Spacer

SFR Jeep XJ Cherokee weld-in Inner Frame plate & steering box spacer www.stinkyfab.com

cherokee xj spacer sfr

XJ Cherokee 2.5L 4 Cylinder Engines - Jeep 4 Cylinder Engine Diagrams

XJ Cherokee 2.5L 4 Cylinder Engines - Jeep 4 Cylinder Engine Diagrams www.4wheelparts.com

engine xj 5l parts cherokee cylinder jeep diagrams replacement wheel

Front Winch Bumper For 84-01 Jeep XJ Cherokee [10570] | Rough Country

Front Winch Bumper for 84-01 Jeep XJ Cherokee [10570] | Rough Country www.roughcountry.com

jeep xj bumper winch cherokee country rough

90 Jeep YJ: Identify Part On Top Of Engine? - Motor Vehicle Maintenance

90 Jeep YJ: Identify part on top of engine? - Motor Vehicle Maintenance mechanics.stackexchange.com

yj identify

Engine Bay Schematic Showing Major Electrical Ground Points For 4.0L

Engine Bay schematic showing major electrical ground points for 4.0L www.pinterest.com

xj jeep snorkel cherokee cowl danger cart project mods snorkle cheap diy version jeepforum cherokeeforum f46 comanche visit engine bay

Exploded View For The 1993 Jeep XJ-Cherokee Non-tilt | Steering Column

exploded view for the 1993 Jeep XJ-Cherokee non-tilt | Steering Column www.steeringcolumnservices.com

exploded wrangler yj xj

Control Arm Drop Kit For 84-01 Jeep XJ Cherokee [1627] | Rough Country

Control Arm Drop Kit for 84-01 Jeep XJ Cherokee [1627] | Rough Country www.roughcountry.com

jeep arm control drop cherokee kit bracket xj rough country 1627 jeepinoutfitters

Jeep Car - Cute Picture | Jeep Xj, Jeep Cherokee, Jeep Cherokee Xj

Jeep car - cute picture | Jeep xj, Jeep cherokee, Jeep cherokee xj www.pinterest.com

Motorcraft 2150 Carb To Jeep 4.0 Intake Adaptor By Gronk Performance

Motorcraft 2150 carb to Jeep 4.0 intake adaptor by Gronk Performance www.pinterest.com

jeep wiring yj swap engine parts jeeps building

Jeep XJ Starting Problems - Check Your Grounds - YouTube

Jeep XJ Starting Problems - Check Your Grounds - YouTube www.youtube.com

Jeep XJ. Manual - Part 87

Jeep XJ. Manual - part 87 www.zinref.ru

xj prevent

XJ. How Did I Do? - JeepForum.com

XJ. how did i do? - JeepForum.com www.jeepforum.com

xj did sorry too

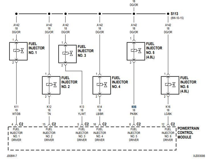
Jeep XJ. Manual - Part 284

Jeep XJ. Manual - part 284 zinref.ru

cylinder

Rolled But Not Resting: The Davenport’s 2001 Jeep XJ Cherokee

Rolled But Not Resting: The Davenport’s 2001 Jeep XJ Cherokee www.fourwheeler.com

dirt

4-6in Long Arm Upgrade Kit For 84-01 Jeep XJ Cherokee | Rough Country

4-6in Long Arm Upgrade Kit for 84-01 Jeep XJ Cherokee | Rough Country www.roughcountry.com

xj jeep arm kit lift cherokee rough country upgrade suspension inch 6in quadratec flex 5in travel i4 np231 5l 0l

Jeep XJ Cherokee Headliner Replacement

Jeep XJ Cherokee Headliner Replacement www.4x4xplor.com

headliner jeep xj cherokee replacement repair might questions any please email results

Jeep car. Jeep wiring yj swap engine parts jeeps building. Sfr jeep xj cherokee weld-in inner frame plate & steering box spacer