kenmore washer wiring schematics

Wiring Diagrams and Schematics - appliantology. 17 Pictures about Wiring Diagrams and Schematics - appliantology : Whirlpool Washer Timer Wiring Diagram - Style Guru: Fashion, Glitz, Kenmore Elite Oasis Washer Wiring Diagram - Wiring Diagram and also 30 Kenmore 70 Series Washer Parts Diagram - Wiring Diagram Database.

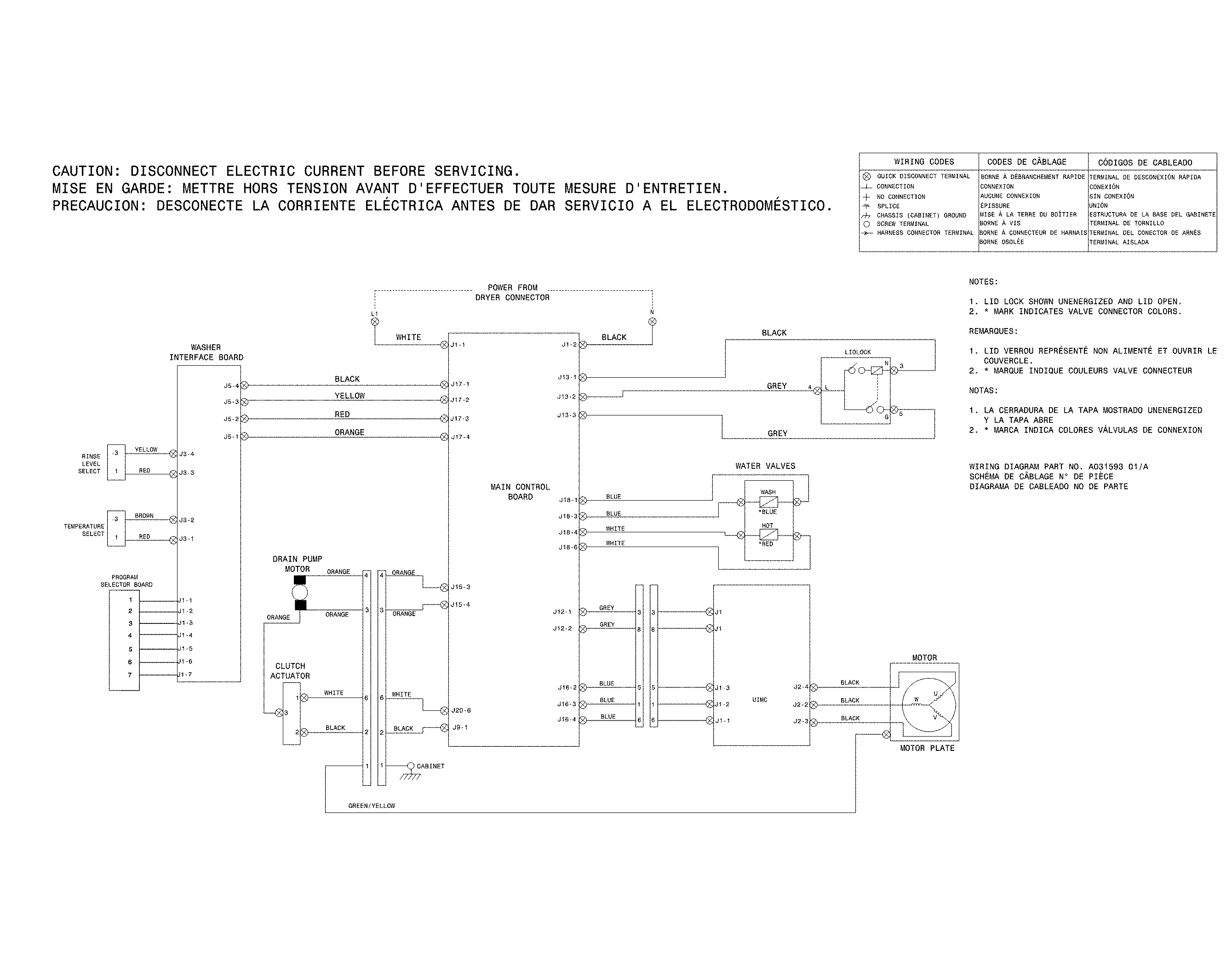
Wiring Diagrams And Schematics - Appliantology

Wiring Diagrams and Schematics - appliantology appliantology.smugmug.com

KENMORE DISHWASHER MANUAL 587 - Auto Electrical Wiring Diagram

KENMORE DISHWASHER MANUAL 587 - Auto Electrical Wiring Diagram edu-apps.herokuapp.com

kenmore dishwasher manual diagram wiring

Wiring Diagram Kenmore Dryer Model 110 Parts Diagram - Wiring Schema

Wiring Diagram Kenmore Dryer Model 110 Parts Diagram - Wiring Schema wiringschema101.blogspot.com

wiring diagram ford horn explorer horns toyota hilux electrical schematic schema dryer kenmore manual 1998

Whirlpool Washer Timer Wiring Diagram - Style Guru: Fashion, Glitz

Whirlpool Washer Timer Wiring Diagram - Style Guru: Fashion, Glitz www.stylesgurus.com

Kenmore Elite Dryer Heating Element Wiring Diagram Download

Kenmore Elite Dryer Heating Element Wiring Diagram Download wholefoodsonabudget.com

dryer wiring diagram kenmore elite schematic heating gas element whirlpool series electric section valve electrical clothes diagrams doing happens nothing

Kenmore Model 41761712511 Laundry Centers/combos Genuine Parts

Kenmore model 41761712511 laundry centers/combos genuine parts www.searspartsdirect.com

kenmore

Kenmore 80 Series Electric Dryer Manual

Kenmore 80 Series Electric Dryer Manual theecupcakee.blogspot.com

kenmore he2 searspartsdirect

30 Kenmore 70 Series Washer Parts Diagram - Wiring Diagram Database

30 Kenmore 70 Series Washer Parts Diagram - Wiring Diagram Database kovodym.blogspot.com

kenmore

Kenmore Elite Dryer Heating Element Wiring Diagram Download

Kenmore Elite Dryer Heating Element Wiring Diagram Download wholefoodsonabudget.com

diagram wiring dryer kenmore elite heating element oasis schematics electrical example

Kenmore Elite Oasis Washer Wiring Diagram - Wiring Diagram

Kenmore Elite Oasis Washer Wiring Diagram - Wiring Diagram wiringdiagram.2bitboer.com

kenmore elite

KENMORE WASHER Parts | Model 41743042300 | Sears PartsDirect

KENMORE WASHER Parts | Model 41743042300 | Sears PartsDirect www.searspartsdirect.com

kenmore wiring diagram washer

Kenmore Model 41740142000 Residential Washers Genuine Parts

Kenmore model 41740142000 residential washers genuine parts www.searspartsdirect.com

wiring diagram kenmore washers residential

Whirlpool Washing Machine Motor Wiring Diagram - Complete Wiring Schemas

Whirlpool Washing Machine Motor Wiring Diagram - Complete Wiring Schemas wiring89.blogspot.com

Kenmore 400 Washer Wiring Diagram - Wiring Diagram

Kenmore 400 Washer Wiring Diagram - Wiring Diagram wiringdiagram.2bitboer.com

dryer

Kenmore Elite Dryer Heating Element Wiring Diagram Download

Kenmore Elite Dryer Heating Element Wiring Diagram Download wholefoodsonabudget.com

kenmore wiring diagram dryer elite washer element heating range parts electric sears slide timer stove appliancetimers

Kenmore (Whirlpool Direct-drive) Washer Model 110.24642300 Schematic

Kenmore (Whirlpool direct-drive) Washer Model 110.24642300 Schematic fixitnow.com

wiring kenmore diagram washer schematic whirlpool direct drive repair enlarge

Appliance Talk: Kenmore Series Electric Dryer Wiring Diagram - Schematic

Appliance Talk: Kenmore Series Electric Dryer Wiring Diagram - Schematic www.blog.applianceoutletservice.com

dryer kenmore diagram wiring series electric parts schematic washing frigidaire diagrams machine washer whirlpool schematics appliance electrical wire motor talk

Wiring diagram ford horn explorer horns toyota hilux electrical schematic schema dryer kenmore manual 1998. Appliance talk: kenmore series electric dryer wiring diagram. Kenmore 400 washer wiring diagram