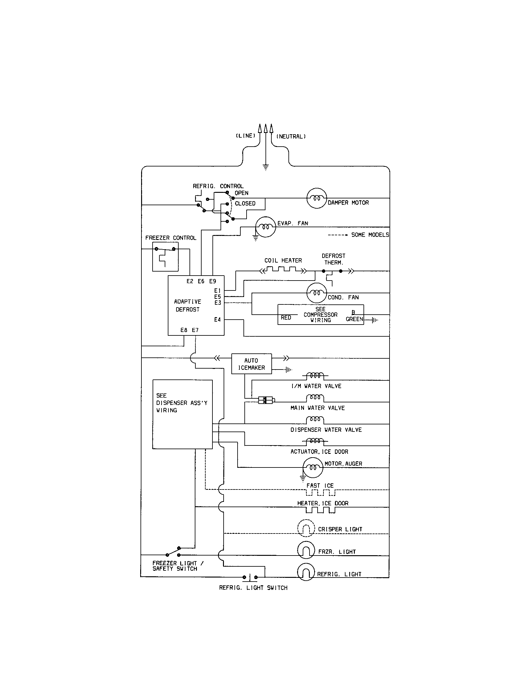
kenmore refrigerator wiring diagram 106 56866600

KENMORE REFRIGERATOR REPAIR MANUAL DOWNLOAD - Auto Electrical Wiring. 15 Pictures about KENMORE REFRIGERATOR REPAIR MANUAL DOWNLOAD - Auto Electrical Wiring : KENMORE REFRIGERATOR Parts | Model 25370413414 | Sears PartsDirect, 30 Wiring Diagram For Kenmore Refrigerator - Wiring Diagram Database and also Kenmore Refrigerator with Bottom Freezer West Shore: Langford,Colwood.

KENMORE REFRIGERATOR REPAIR MANUAL DOWNLOAD - Auto Electrical Wiring

KENMORE REFRIGERATOR REPAIR MANUAL DOWNLOAD - Auto Electrical Wiring wiringdiagram.herokuapp.com

kenmore refrigerator

Wiring Diagram For Kenmore Elite Refrigerator - Wiring Diagram Schemas

Wiring Diagram For Kenmore Elite Refrigerator - Wiring Diagram Schemas wiringschemas.blogspot.com

kenmore coldspot liner

Kenmore Model 25351692100 Side-by-side Refrigerator Genuine Parts

Kenmore model 25351692100 side-by-side refrigerator genuine parts www.searspartsdirect.com

kenmore

Kenmore Refrigerator With Bottom Freezer West Shore: Langford,Colwood

Kenmore Refrigerator with Bottom Freezer West Shore: Langford,Colwood www.usedvictoria.com

kenmore

Refrigerator Wiring Diagram Part - Complete Wiring Schemas

Refrigerator Wiring Diagram Part - Complete Wiring Schemas wiring89.blogspot.com

Kenmore Refrigerator Wiring Schematic | Free Wiring Diagram

Kenmore Refrigerator Wiring Schematic | Free Wiring Diagram ricardolevinsmorales.com

KENMORE REFRIGERATOR Parts | Model 25370413414 | Sears PartsDirect

KENMORE REFRIGERATOR Parts | Model 25370413414 | Sears PartsDirect www.searspartsdirect.com

kenmore refrigerator wiring diagram schematic bottom mount parts searspartsdirect maker ice frigidaire

32 Kenmore Coldspot Model 106 Parts Diagram - Wiring Diagram Database

32 Kenmore Coldspot Model 106 Parts Diagram - Wiring Diagram Database kovodym.blogspot.com

kenmore coldspot deland refrigeration

Kenmore Refrigerator Wiring Schematic | Free Wiring Diagram

Kenmore Refrigerator Wiring Schematic | Free Wiring Diagram ricardolevinsmorales.com

Refrigerator Ice Maker Wiring Diagram - Complete Wiring Schemas

Refrigerator Ice Maker Wiring Diagram - Complete Wiring Schemas wiring89.blogspot.com

wiring diagram

30 Wiring Diagram For Kenmore Refrigerator - Wiring Diagram Database

30 Wiring Diagram For Kenmore Refrigerator - Wiring Diagram Database kovodym.blogspot.com

kenmore refrigerator wiring

35 Kenmore Refrigerator Wiring Diagram - Wiring Diagram List

35 Kenmore Refrigerator Wiring Diagram - Wiring Diagram List skippingtheinbetween.blogspot.com

kenmore freezer

32 Kenmore Coldspot Model 106 Parts Diagram - Wiring Diagram Database

32 Kenmore Coldspot Model 106 Parts Diagram - Wiring Diagram Database kovodym.blogspot.com

coldspot kenmore

27 Kenmore Coldspot Model 106 Parts Diagram - Wiring Database 2020

27 Kenmore Coldspot Model 106 Parts Diagram - Wiring Database 2020 rachelleogyaz.blogspot.com

kenmore coldspot since

Refrigerators Parts: Fridge Spares

Refrigerators Parts: Fridge Spares refrigeratorspartsus.blogspot.com

kenmore refrigerator wiring diagram 2200 1696 kb

Refrigerator wiring diagram part. 30 wiring diagram for kenmore refrigerator. Kenmore refrigerator wiring diagram 2200 1696 kb