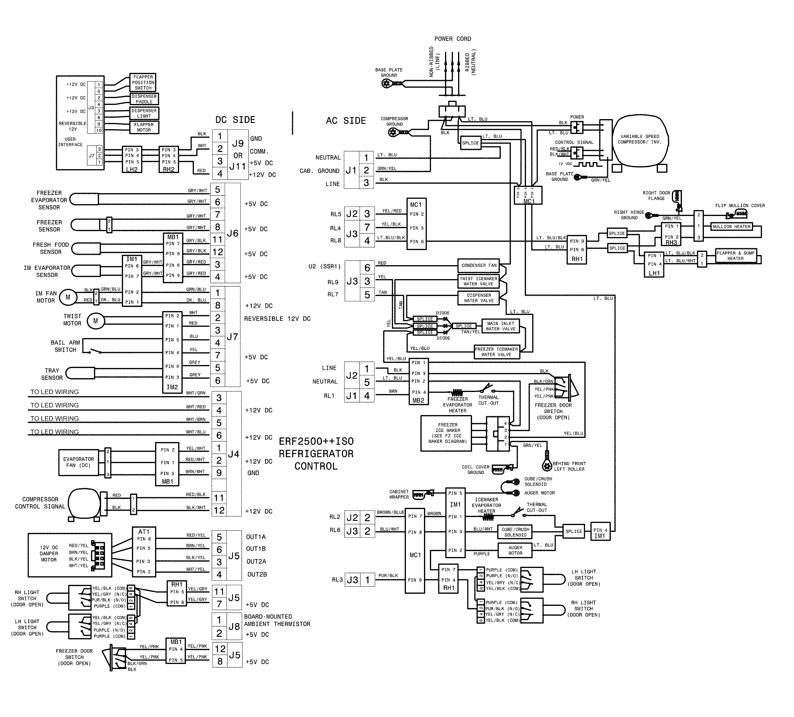
kenmore refrigerator 106 52514101 wiring diagrams

Kenmore Refrigerator. Freezer Cold With Frige Hot Temporary Fix. - YouTube. 16 Pics about Kenmore Refrigerator. Freezer Cold With Frige Hot Temporary Fix. - YouTube : Wiring Diagram Info: 23 Kenmore Refrigerator Wiring Diagram, 30 Kenmore Elite Refrigerator Diagram - Free Wiring Diagram Source and also Kenmore Refrigerator Not Cooling | ThriftyFun.

Kenmore Refrigerator. Freezer Cold With Frige Hot Temporary Fix. - YouTube

Kenmore Refrigerator. Freezer Cold With Frige Hot Temporary Fix. - YouTube www.youtube.com

kenmore refrigerator freezer

Kenmore Model 25352622201 Side-by-side Refrigerator Genuine Parts

Kenmore model 25352622201 side-by-side refrigerator genuine parts www.searspartsdirect.com

kenmore

Kenmore Refrigerator/Freezer Model 253.78882013 - Current Price: $190

Kenmore Refrigerator/Freezer Model 253.78882013 - Current price: $190 bid.soldasap.com

refrigerator kenmore freezer

White Kenmore Refrigerator | EBTH

White Kenmore Refrigerator | EBTH www.ebth.com

kenmore ebth

Kenmore Model 25370343410 Bottom-mount Refrigerator Genuine Parts

Kenmore model 25370343410 bottom-mount refrigerator genuine parts www.searspartsdirect.com

kenmore diagram wiring refrigerator bottom mount parts repair replacement

Cabinet Parts | Kitchen Appliances Layout, Kenmore Refrigerator

Cabinet Parts | Kitchen appliances layout, Kenmore refrigerator www.pinterest.com

kenmore appliancepartspros

Kenmore Refrigerator Not Cooling | ThriftyFun

Kenmore Refrigerator Not Cooling | ThriftyFun www.thriftyfun.com

refrigerator kenmore cooling

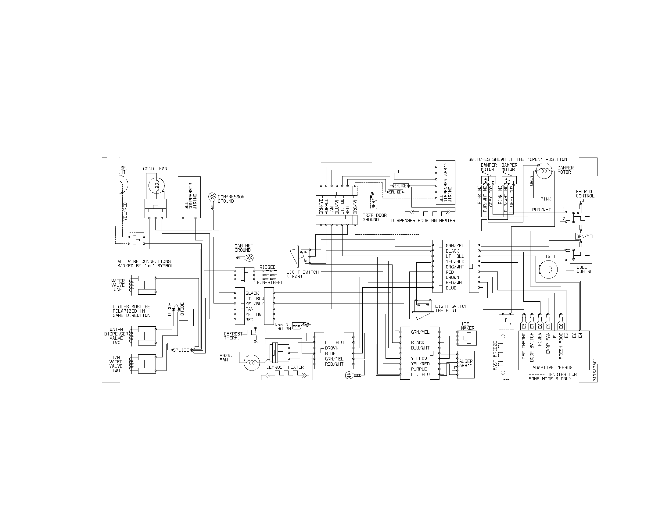
Kenmore Coldspot Refrigerator Wiring Diagram - Wiring Diagram

Kenmore Coldspot Refrigerator Wiring Diagram - Wiring Diagram wiringdiagram.2bitboer.com

kenmore diagram wiring refrigerator coldspot schematics clarion xm diagrams working

27 Wiring Diagram For Kenmore Refrigerator - Wiring Diagram List

27 Wiring Diagram For Kenmore Refrigerator - Wiring Diagram List skippingtheinbetween.blogspot.com

wiring kenmore diagram refrigerator schematic parts list searspartsdirect mount genuine

Kenmore Model 2537034241H Bottom-mount Refrigerator Genuine Parts

Kenmore model 2537034241H bottom-mount refrigerator genuine parts www.searspartsdirect.com

kenmore

Kenmore Model 25352649301 Side-by-side Refrigerator Genuine Parts

Kenmore model 25352649301 side-by-side refrigerator genuine parts www.searspartsdirect.com

refrigerator kenmore diagram wiring schematic parts side

Kenmore Refrigerator (Apartment Size) For Sale In Hesperia, CA - OfferUp

Kenmore Refrigerator (Apartment Size) for Sale in Hesperia, CA - OfferUp offerup.com

kenmore

30 Kenmore Elite Refrigerator Diagram - Free Wiring Diagram Source

30 Kenmore Elite Refrigerator Diagram - Free Wiring Diagram Source mickygurlz.blogspot.com

kenmore diagram refrigerator elite parts wiring mount bottom sears ice repair door maker searspartsdirect

Used Sears 25361132103 Kenmore Refrigerator/Freezer (800-6147

Used Sears 25361132103 Kenmore Refrigerator/Freezer (800-6147 www.biosurplus.com

refrigerator kenmore freezer sears biosurplus

KENMORE REFRIGERATOR Parts | Model 25370343410 | Sears PartsDirect

KENMORE REFRIGERATOR Parts | Model 25370343410 | Sears PartsDirect www.searspartsdirect.com

wiring diagram kenmore refrigerator

Wiring Diagram Info: 23 Kenmore Refrigerator Wiring Diagram

Wiring Diagram Info: 23 Kenmore Refrigerator Wiring Diagram whatmindsaid.blogspot.com

kenmore

Used sears 25361132103 kenmore refrigerator/freezer (800-6147. Kenmore model 25352622201 side-by-side refrigerator genuine parts. Kenmore model 25352649301 side-by-side refrigerator genuine parts