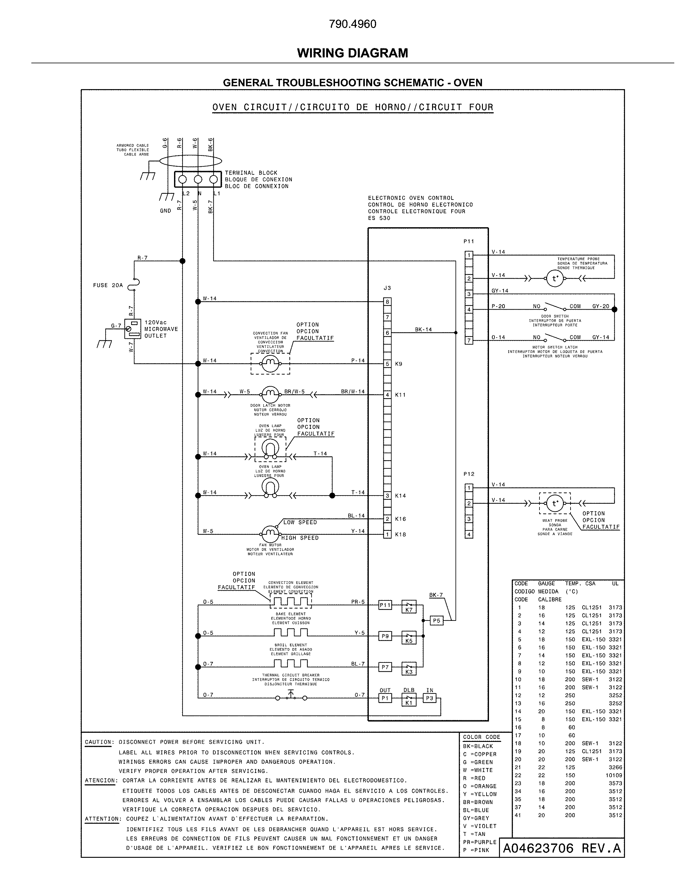
kenmore oven 91130469690 wiring diagrams

KENMORE OVEN RANGE STOVE BURNER KNOB- VINTAGE 641136 641135 (3 AVAILAB. 15 Images about KENMORE OVEN RANGE STOVE BURNER KNOB- VINTAGE 641136 641135 (3 AVAILAB : KENMORE OVEN MANUAL 790 - Auto Electrical Wiring Diagram, 318004900 Frigidaire Electrolux Kenmore Oven Thermal Fuse 318004900 | eBay and also Find Kenmore Oven service manual by model number. | Appliance Service.

KENMORE OVEN RANGE STOVE BURNER KNOB- VINTAGE 641136 641135 (3 AVAILAB

KENMORE OVEN RANGE STOVE BURNER KNOB- VINTAGE 641136 641135 (3 AVAILAB onesourceapplianceparts.com

kenmore stove oven knob burner range parts

Kenmore 9114012190 Elecric Built-In Oven Timer - Stove Clocks And

Kenmore 9114012190 Elecric Built-In Oven Timer - Stove Clocks and www.appliancetimers.com

parts elecric oven built diagram section control timer kenmore

318004900 Frigidaire Electrolux Kenmore Oven Thermal Fuse 318004900 | EBay

318004900 Frigidaire Electrolux Kenmore Oven Thermal Fuse 318004900 | eBay www.ebay.com

kenmore frigidaire electrolux

Wiring Diagramm ~ FRIGIDAIRE Kenmore OVEN CONTROL BOARD SF5301-S7502-N

Wiring diagramm ~ FRIGIDAIRE Kenmore OVEN CONTROL BOARD SF5301-S7502-N www.youtube.com

wiring oven frigidaire control kenmore

Find Kenmore Oven Service Manual By Model Number. | Appliance Service

Find Kenmore Oven service manual by model number. | Appliance Service www.allrepairmanuals.com

oven number frigidaire kenmore location serial numbers service manual electrolux recall ovens recalled cpsc gov

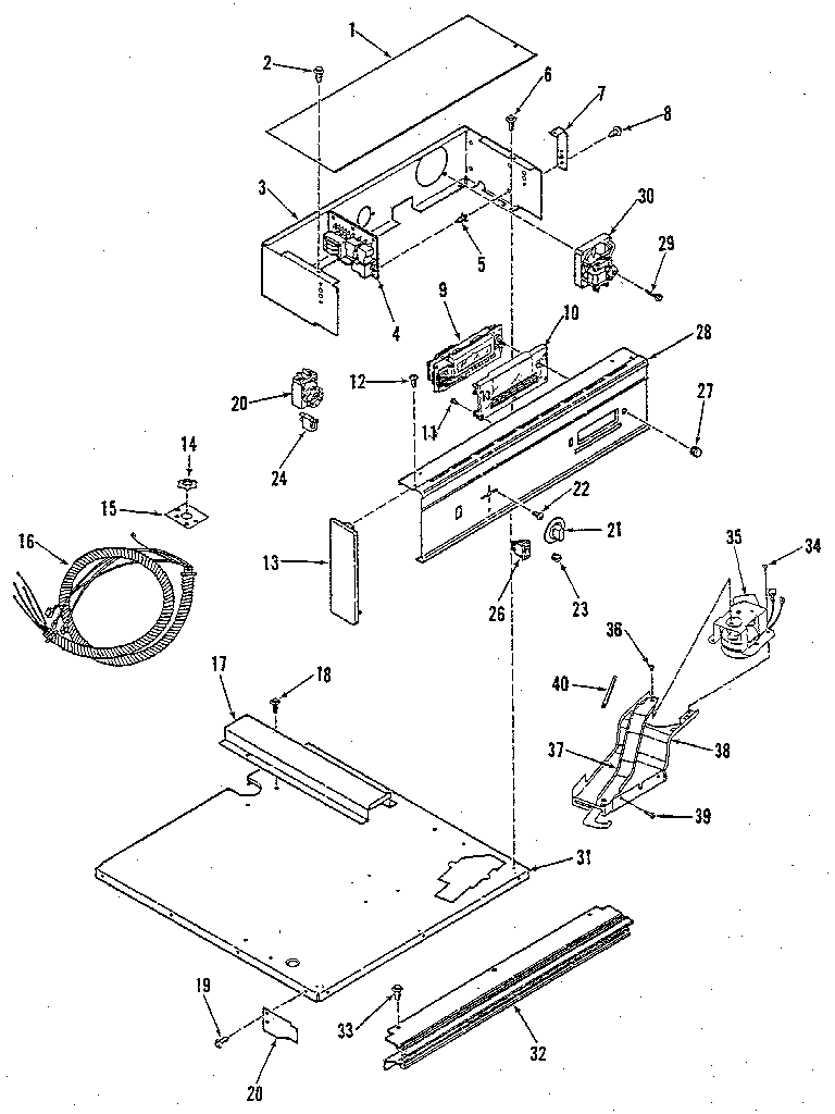
Kenmore Model 79040253410 Built-in Oven, Electric Genuine Parts

Kenmore model 79040253410 built-in oven, electric genuine parts www.searspartsdirect.com

Kenmore Model 79049602317 Built-in Oven, Electric With Microwave

Kenmore model 79049602317 built-in oven, electric with microwave www.searspartsdirect.com

microwave kenmore

KENMORE OVEN MANUAL 790 - Auto Electrical Wiring Diagram

KENMORE OVEN MANUAL 790 - Auto Electrical Wiring Diagram edu-apps.herokuapp.com

kenmore fuel searspartsdirect

KENMORE ELECTRIC OVEN Parts | Model 79040439801 | Sears PartsDirect

KENMORE ELECTRIC OVEN Parts | Model 79040439801 | Sears PartsDirect www.searspartsdirect.com

kenmore oven electric parts diagram

KENMORE ELECTRIC BUILT-IN OVEN Parts | Model 9114238896 | Sears PartsDirect

KENMORE ELECTRIC BUILT-IN OVEN Parts | Model 9114238896 | Sears PartsDirect www.searspartsdirect.com

oven built kenmore electric diagram

Kenmore 911401299 24" Electric Built-in Oven Timer - Stove Clocks And

Kenmore 911401299 24" Electric Built-in Oven Timer - Stove Clocks and www.appliancetimers.com

kenmore oven electric timer built

Wiring Diagram For Kenmore Gas Range - Wiring Diagram

Wiring Diagram For Kenmore Gas Range - Wiring Diagram wiringdiagram.2bitboer.com

kenmore wiring gas

27 Kenmore Oven Parts Diagram - Wiring Database 2020

27 Kenmore Oven Parts Diagram - Wiring Database 2020 rachelleogyaz.blogspot.com

kenmore wiring stove diagramweb guitar

SOLVED: I Need A Wiring Diagram For A Kenmore Oven Model - Fixya

SOLVED: I need a wiring diagram for a Kenmore oven model - Fixya www.fixya.com

wiring diagram kenmore oven need

Kenmore Oven Has Error Code

Kenmore Oven Has Error Code guideformanual.blogspot.com

whirlpool kenmore

Kenmore stove oven knob burner range parts. Solved: i need a wiring diagram for a kenmore oven model. Parts elecric oven built diagram section control timer kenmore