kenmore box fan wiring diagram

Fantastic Vent Wiring Schematic. 16 Images about Fantastic Vent Wiring Schematic : 27 Kenmore Refrigerator Wiring Diagram - Free Wiring Diagram Source, Kenmore Ceiling Fan Wiring Diagram and also Electric Fan Circuit Diagram.

Fantastic Vent Wiring Schematic

Fantastic Vent Wiring Schematic hestiahelper.blogspot.com

vent wiring fantastic fan 1250 tastic schematic rv crank dome smoke roof manual speed series

True Gdm 49 Wiring Diagram

True Gdm 49 Wiring Diagram www.chanish.org

Kenmore Elite Refrigerator Wiring Diagram - Wiring Diagram Schemas

Kenmore Elite Refrigerator Wiring Diagram - Wiring Diagram Schemas wiringschemas.blogspot.com

kenmore

Two Wire Heat Only Thermostat

Two Wire Heat Only Thermostat www.chanish.org

thermostat wire honeywell wiring heat connection

ACCUPHASE REPAIR MANUAL - Auto Electrical Wiring Diagram

ACCUPHASE REPAIR MANUAL - Auto Electrical Wiring Diagram ewiringdiagram.herokuapp.com

accuphase manual sm repair pdf 2nd

Kenmore Ceiling Fan Wiring Diagram

Kenmore Ceiling Fan Wiring Diagram desaingrafismasfadil.blogspot.com

evaporator kenmore

Kenmore Elite 79045003804 Electric Range Parts | Sears PartsDirect

Kenmore Elite 79045003804 electric range parts | Sears PartsDirect www.searspartsdirect.com

kenmore range wiring diagram electric elite parts

HVACQuick - How To's - Wiring: 1 Fan Serving 2 Baths With 1 FD60EM

HVACQuick - How To's - Wiring: 1 fan serving 2 baths with 1 FD60EM hvacquick.com

wiring fan diagram wire switch timer whole motor speed attic booster schematic hvacquick radon parts help bath mitigation

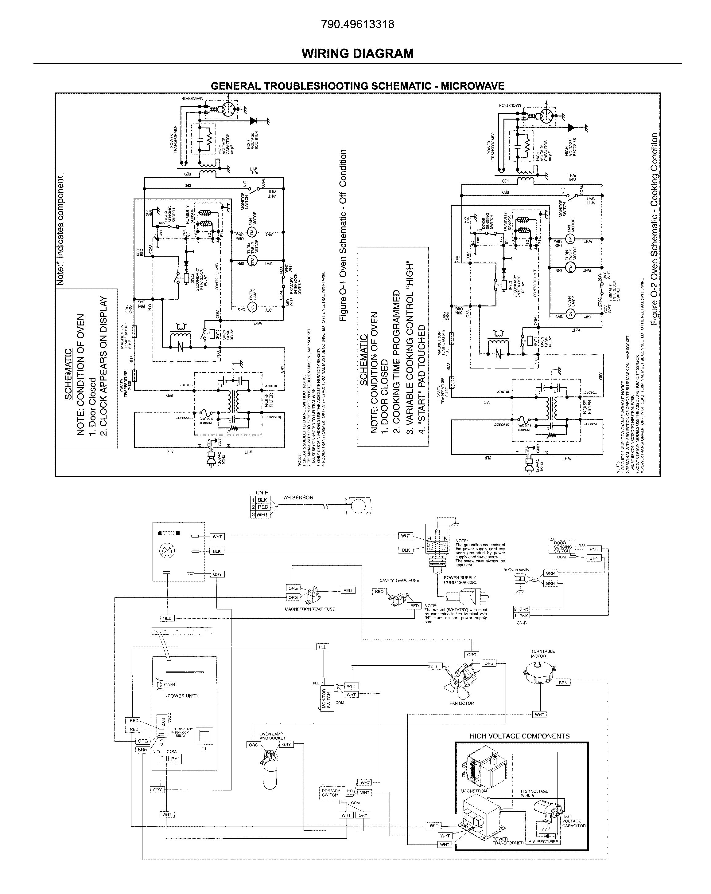
Schematic Combo Wiring - Complete Wiring Schemas

Schematic Combo Wiring - Complete Wiring Schemas wiring89.blogspot.com

wiring kenmore oven microwave diagram combo schematic parts

Electric Fan Circuit Diagram

Electric Fan Circuit Diagram www.chanish.org

electroschematics

Universal Condenser Fan Motor Wiring Diagram / Us Motor 1/3 Hp 208-230v

Universal Condenser Fan Motor Wiring Diagram / Us Motor 1/3 Hp 208-230v wiringdiagrams2.blogspot.com

searspartsdirect

27 Kenmore Refrigerator Wiring Diagram - Free Wiring Diagram Source

27 Kenmore Refrigerator Wiring Diagram - Free Wiring Diagram Source mickygurlz.blogspot.com

kenmore

Kenmore Window Fan Questions - Post-1950 (Vintage) - Antique Fan

Kenmore Window Fan Questions - Post-1950 (Vintage) - Antique Fan www.afcaforum.com

capacitor

How To Wire A Fan Center Relay | Sante Blog

How To Wire A Fan Center Relay | Sante Blog santeesthetic.com

fan center relay wire thermostat control exhaust bath

Dimmer Switch On 3 Way Circuit

Dimmer Switch On 3 Way Circuit www.chanish.org

dimmer leviton lutron electrical wires switches dimmable dimmers chanish waterheatertimer ferienplan thaipoliceplus

32 Kenmore Coldspot Model 106 Parts Diagram - Wiring Diagram Database

32 Kenmore Coldspot Model 106 Parts Diagram - Wiring Diagram Database kovodym.blogspot.com

kenmore appliancepartspros coldspot

Electric fan circuit diagram. Kenmore window fan questions. Accuphase manual sm repair pdf 2nd