kenmore 911 30465893 wiring diagram

Wiring Diagram For Kenmore Electric Range - INHERENTLYROMANTIC. 18 Pics about Wiring Diagram For Kenmore Electric Range - INHERENTLYROMANTIC : Wiring Diagram For Kenmore Stove, Parts for Kenmore 91130465893 Wall Oven - AppliancePartsPros.com and also Wiring Diagram For Kenmore Stove.

Wiring Diagram For Kenmore Electric Range - INHERENTLYROMANTIC

Wiring Diagram For Kenmore Electric Range - INHERENTLYROMANTIC inherentlyromantic.blogspot.com

kenmore schematron roper

KENMORE ELECTRIC RANGE Parts | Model 79095747990 | Sears PartsDirect

KENMORE ELECTRIC RANGE Parts | Model 79095747990 | Sears PartsDirect www.searspartsdirect.com

wiring diagram kenmore electric sears range number

417.97912700 Kenmore Wiring Diagram

417.97912700 Kenmore Wiring Diagram diagramweb.net

kenmore dishwasher cissell diagrams

1959 Bus Wiring Diagram (USA) | TheGoldenBug.com

1959 Bus Wiring Diagram (USA) | TheGoldenBug.com www.thegoldenbug.com

wiring vw diagram bus 1968 wire 1960 camaro pdf 1959 engine volkswagen switch signal turn 1970 transporter split usa diagrams

Looking For Kenmore Model 9116878310 Electric Range Repair

Looking for Kenmore model 9116878310 electric range repair www.searspartsdirect.com

kenmore

2007 Chevy Cobalt Stereo Wiring Diagram | Chevy Trailblazer, Chevy

2007 Chevy Cobalt Stereo Wiring Diagram | Chevy trailblazer, Chevy www.pinterest.com

diagram wiring chevy stereo 2007 cobalt impala radio trailblazer equinox chevrolet harness jeep

24 Valve Cosworth Wiring Diagram - The Ford Capri Laser Page

24 Valve Cosworth wiring diagram - The Ford Capri Laser Page www.fordcapriforum.com

ford wiring diagram laser cosworth v487 photobucket albums capri

Kenmore Model 79094689300 Free Standing, Electric Genuine Parts

Kenmore model 79094689300 free standing, electric genuine parts www.searspartsdirect.com

kenmore

Bridgeport Interact 1 Mk2 Schemetic Wiring Diagram - YouTube

Bridgeport Interact 1 Mk2 Schemetic wiring diagram - YouTube www.youtube.com

diagram wiring bridgeport interact mk2

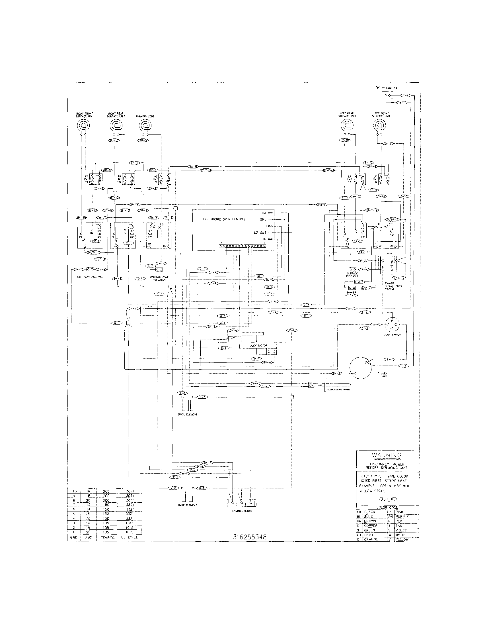
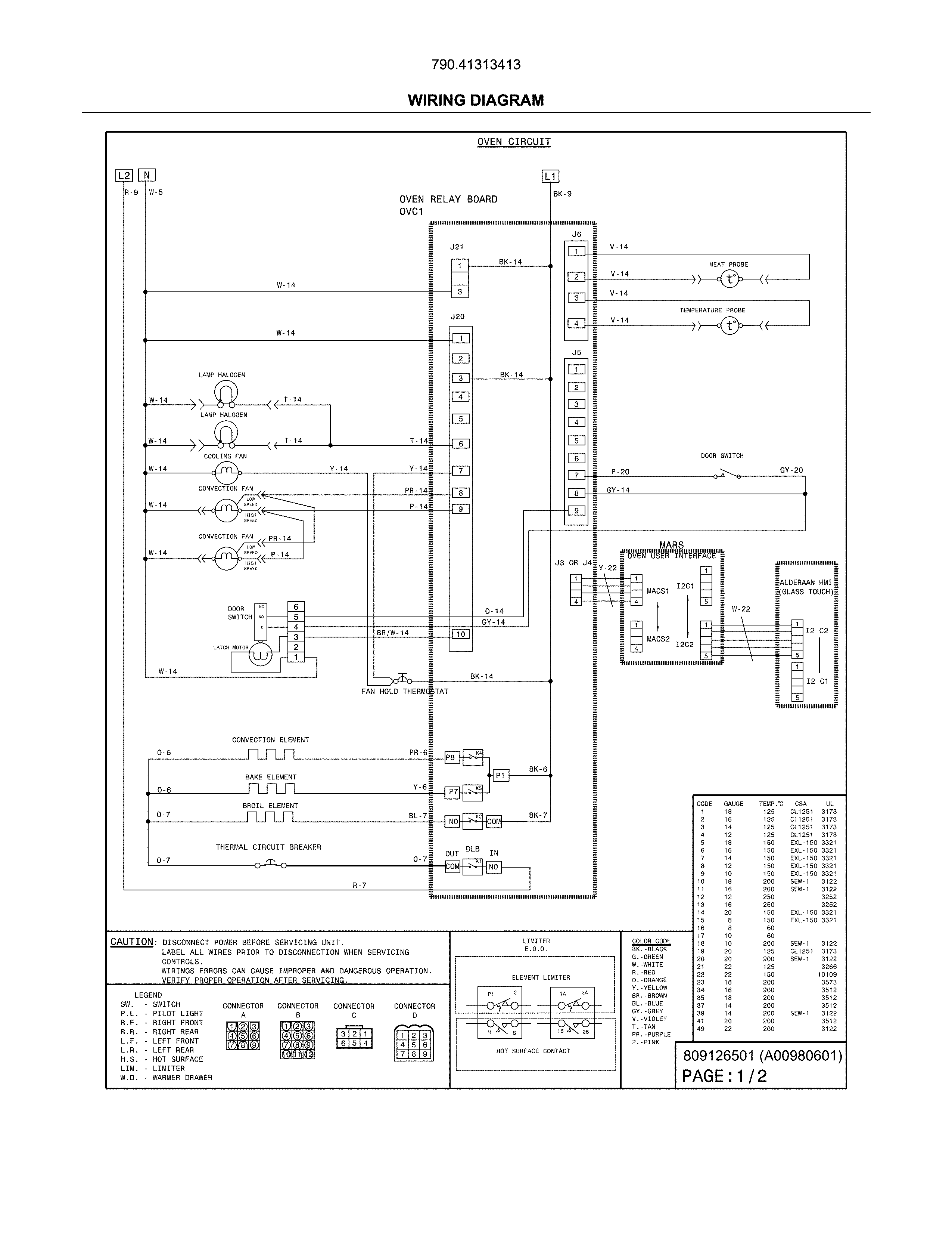
Kenmore-Elite Model 79041313413 Free Standing, Electric Genuine Parts

Kenmore-Elite model 79041313413 free standing, electric genuine parts www.searspartsdirect.com

kenmore

I Need A Wiring Diagram Now For A 71 Corvette It Is Broke Down On The

I need a wiring diagram now for a 71 corvette it is broke down on the www.justanswer.com

wiring diagram corvette broke need classic

Installation Instructions (cont’d), Wiring Diagrams | Kenmore 153

Installation instructions (cont’d), Wiring diagrams | Kenmore 153 www.manualsdir.com

kenmore

Wiring Diagram 91130469690 - Complete Wiring Schemas

Wiring Diagram 91130469690 - Complete Wiring Schemas wiring89.blogspot.com

kenmore oven gas parts section body diagram wiring

Wiring Diagram For Kenmore Stove

Wiring Diagram For Kenmore Stove wiringdiagramall.blogspot.com

kenmore

Anyone Have A Gear Vendors OD Wiring Diagram? - Page 2 - Dodge Diesel

Anyone have a Gear Vendors OD wiring diagram? - Page 2 - Dodge Diesel www.dieseltruckresource.com

gear vendors wiring diagram od anyone forums

Kenmore Model 1199098510 Free Standing, Electric Genuine Parts

Kenmore model 1199098510 free standing, electric genuine parts www.searspartsdirect.com

kenmore wiring diagram electric range standing number

Parts For Kenmore 91130465893 Wall Oven - AppliancePartsPros.com

Parts for Kenmore 91130465893 Wall Oven - AppliancePartsPros.com www.appliancepartspros.com

parts kenmore door appliancepartspros oven lock section harness wiring wire

Wiring Diagram For A Kenmore 253.28093801 Upright Freezer | Flickr

Wiring Diagram for a Kenmore 253.28093801 Upright Freezer | Flickr www.flickr.com

kenmore freezer

2007 chevy cobalt stereo wiring diagram. Parts kenmore door appliancepartspros oven lock section harness wiring wire. Parts for kenmore 91130465893 wall oven