kedu switch wiring diagram

International Tractor Wiring Diagram - Fuse & Wiring Diagram. 17 Pics about International Tractor Wiring Diagram - Fuse & Wiring Diagram : Kedu Switch Wiring Diagram En 60947-1, Kedu Switch Wiring Diagram and also Insert switch Tripus TP3251, 306P400 (replacement for Kedu KJD17B).

International Tractor Wiring Diagram - Fuse & Wiring Diagram

International Tractor Wiring Diagram - Fuse & Wiring Diagram fusewiring.blogspot.com

Automatic Transfer Switch Ats Panel Wiring Diagram - KOLEKSI-LAWAK-KELAKAR

Automatic Transfer Switch Ats Panel Wiring Diagram - KOLEKSI-LAWAK-KELAKAR koleksi-lawak-kelakar.blogspot.com

mcb 63a

Nockenschalter Schaltplan - Wiring Diagram

Nockenschalter Schaltplan - Wiring Diagram facybulka.me

nockenschalter drehschalter hauptschalter 690v 32a griff umschalter schaltplan

Switch-plug Combination Klinger&Born K570, Kedu KOA7 Replacement

Switch-plug combination Klinger&Born K570, Kedu KOA7 replacement www.kahlhorn.com

plug 230v switch klinger born kedu combination kw

123 Wiring Diagram - Derslatnaback

123 Wiring Diagram - Derslatnaback derslatnaback.blogspot.com

dummies

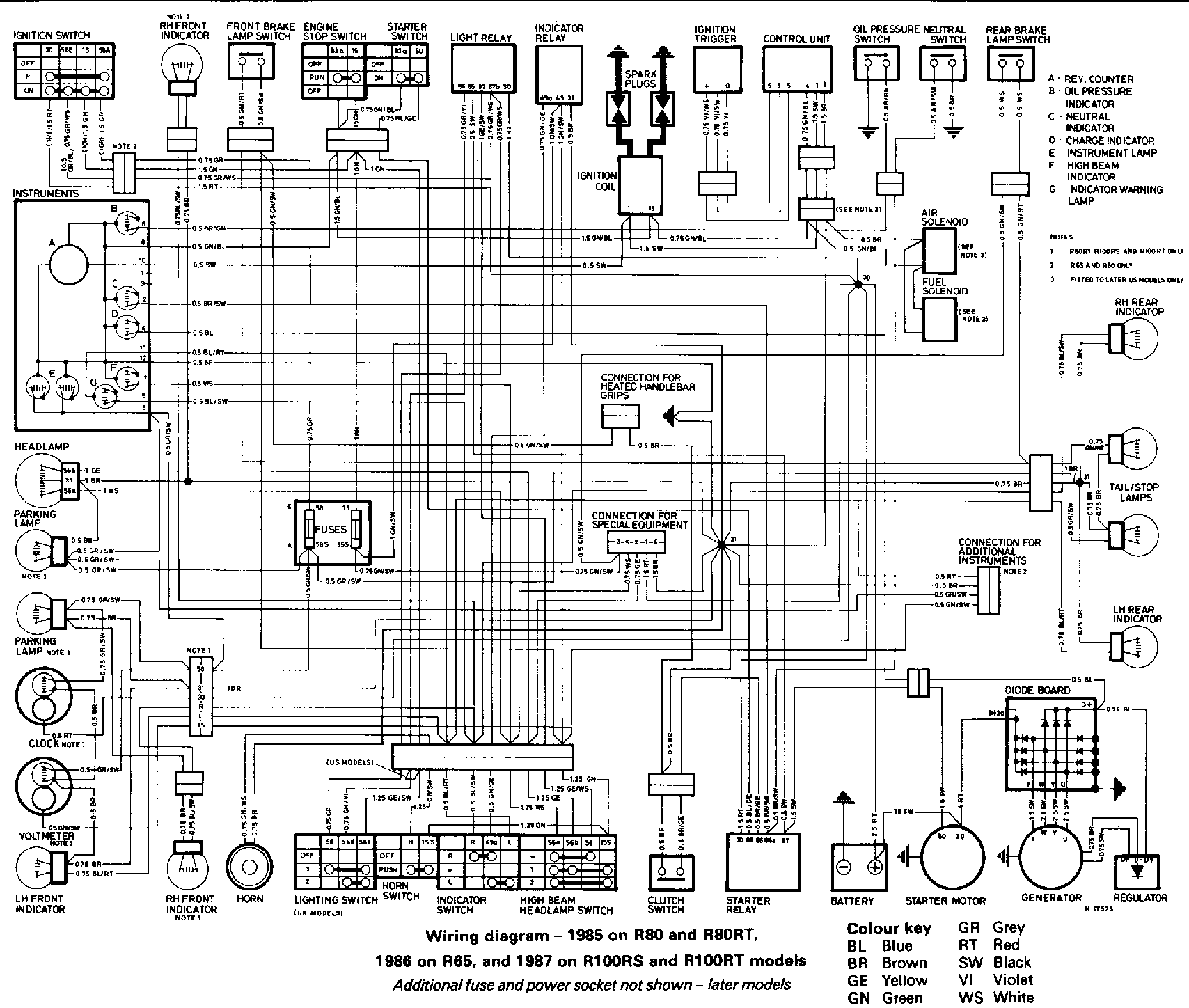
Schaltplan Not Aus - Wiring Diagram

Schaltplan Not Aus - Wiring Diagram facybulka.me

schaltplan g650gs z4 electrique r100 schaltplaene r65 stromlaufplan r100r k75 r80rt diagramweb powerboxer schaltpläne wart 100rs schalt r80 r100rs faisceau

Wiring Diagram Of 3-Way Connection For The External Manual Switch.

Wiring diagram of 3-Way connection for the external manual switch. manual.zwave.eu

Automatic Transfer Switch Controller. Build Your Own Change-over Panel

Automatic Transfer Switch Controller. Build your own change-over panel www.ebay.co.uk

switch transfer automatic change wiring panel controller diagrams build own

Insert Switch Tripus TP3251, 306P400 (replacement For Kedu KJD17B)

Insert switch Tripus TP3251, 306P400 (replacement for Kedu KJD17B) www.kahlhorn.com

kedu tripus switch dz insert kb schaltplan kt replacement klinger born circuit switches kahlhorn

Kedu Switch Wiring Diagram

Kedu Switch Wiring Diagram schematron.org

kedu wiring switch diagram

S-WieD

S-WieD s-wied.blogspot.com

listrik membaca wering lampu wied memasang kwh omega

How To Install A 3 Way Switch | The Family Handyman

How to Install a 3 Way Switch | The Family Handyman www.familyhandyman.com

wiring familyhandyman

Pin Di Elektrik

Pin di elektrik www.pinterest.com

fj40 ih8mud elektrik

Table Saw Switch - Page 3 - Router Forums

Table saw switch - Page 3 - Router Forums www.routerforums.com

switch saw table al name

17 SPDT Switch

17 SPDT Switch musicfromouterspace.com

sequencer gate pcb led wiring switch

Kedu Switch Wiring Diagram En 60947-1

Kedu Switch Wiring Diagram En 60947-1 diagramweb.net

kedu schematics

Frequently Asked Questions - Www.sejahteramandiri.com

Frequently Asked Questions - www.sejahteramandiri.com www.sejahteramandiri.com

asked sejahteramandiri ds

Kedu wiring switch diagram. 123 wiring diagram. Kedu schematics