kawasaki ar 50 wiring diagram

Kawasaki ZX400L2 ZXR400 1992 EUROPE UK FR AR FG GR IT NR SD OIL PAN. 17 Pics about Kawasaki ZX400L2 ZXR400 1992 EUROPE UK FR AR FG GR IT NR SD OIL PAN : Wiring Diagram Kawasaki Kx 100 - DIAGRAM 98 Kawasaki 300 Bayou Wiring, Kawasaki Atv Wiring Diagram - Wiring Diagram and also Gun holster sewing pattern.

Kawasaki ZX400L2 ZXR400 1992 EUROPE UK FR AR FG GR IT NR SD OIL PAN

Kawasaki ZX400L2 ZXR400 1992 EUROPE UK FR AR FG GR IT NR SD OIL PAN www.cmsnl.com

zxr400

[DIAGRAM] 1987 Kawasaki Bayou 220 Wiring Diagram FULL Version HD

[DIAGRAM] 1987 Kawasaki Bayou 220 Wiring Diagram FULL Version HD diagramfossa.brunisport.it

bayou klf220 klf wiringg easywiring harnes wellread

Gravely 991072 (000101 - ) Compact-Pro 44, Kawasaki, 44" Deck Parts

Gravely 991072 (000101 - ) Compact-Pro 44, Kawasaki, 44" Deck Parts www.jackssmallengines.com

kawasaki clutch compact deck engine pro gravely diagram parts unable disabled javascript cart diagrams

Gun Holster Sewing Pattern

Gun holster sewing pattern jhieu.warsztat-kulinarny.pl

[DIAGRAM] 1987 Kawasaki Bayou 220 Wiring Diagram FULL Version HD

[DIAGRAM] 1987 Kawasaki Bayou 220 Wiring Diagram FULL Version HD diagramfossa.brunisport.it

wiring bayou town chromatex

OWNERS MANUAL: Z1-900 1972-1973

OWNERS MANUAL: Z1-900 1972-1973 www.z-power.co.uk

owners manual z1 1973 1972

I Have A 1987 Kawasaki Bayou 300cc,2-wheel Drive.I Was Wondering If You

I have a 1987 Kawasaki Bayou 300cc,2-wheel drive.I was wondering if you www.justanswer.com

kawasaki wiring bayou 1987 diagram 300 wheel drive justanswer 300cc wondering klf300 cdi info luck thank using 2009

Wiring Diagram Kawasaki Kx 100 - DIAGRAM 98 Kawasaki 300 Bayou Wiring

Wiring Diagram Kawasaki Kx 100 - DIAGRAM 98 Kawasaki 300 Bayou Wiring rly02807-wiring-diagram17.blogspot.com

i73

[View 41+] Ibanez Bass Guitar Wiring Diagram

[View 41+] Ibanez Bass Guitar Wiring Diagram examplep6.blogspot.com

bass ibanez

Lifan Engine In Sl70 Wiring Help Needed | Schematic And Wiring Diagram

Lifan Engine In Sl70 Wiring Help Needed | schematic and wiring diagram schematicandwiringdiagram.blogspot.com

trx70 lifan sl70

1993 Kawasaki Bayou 220 Wiring Diagram / Klf 185 220 Bayou Wiring

1993 Kawasaki Bayou 220 Wiring Diagram / Klf 185 220 Bayou Wiring rth3100c-wiring-diagram.blogspot.com

bayou autozone repairguide kz650 klf

Kawasaki Atv Wiring Diagram - Wiring Diagram

Kawasaki Atv Wiring Diagram - Wiring Diagram alohagrace.blogspot.com

kawasaki bayou database

Kawasaki Brute Force 750 Wiring Diagram : TV_5362 Kawasaki Brute Force

Kawasaki Brute Force 750 Wiring Diagram : TV_5362 Kawasaki Brute Force diy-stippling.blogspot.com

partzilla brute kawasaki

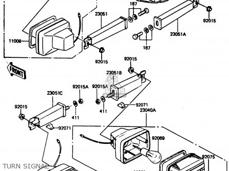
Kawasaki AR125A1A 1983 EUROPE UK FR SD ST Parts Lists And Schematics

Kawasaki AR125A1A 1983 EUROPE UK FR SD ST parts lists and schematics www.cmsnl.com

kawasaki 1983 sd europe fr st signal turn parts

Kawasaki AR80C5 1987 USA / MPH Parts Lists And Schematics

Kawasaki AR80C5 1987 USA / MPH parts lists and schematics www.cmsnl.com

signal mph

Yamaha 80cc Atv Wiring Schematic

Yamaha 80cc Atv Wiring Schematic hestiahelper.blogspot.com

yamaha wiring schematic atv raptor 80cc electrical 2005 babbitts

I Have A 1987 Kawasaki Bayou 300cc,2-wheel Drive.I Was Wondering If You

I have a 1987 Kawasaki Bayou 300cc,2-wheel drive.I was wondering if you www.justanswer.com

kawasaki wiring diagram bayou 300 electrical ignition atv switch 2001 problems prairie 1987 wheel drive justanswer 2000 lakota carburetor diagrams

Bayou autozone repairguide kz650 klf. Kawasaki clutch compact deck engine pro gravely diagram parts unable disabled javascript cart diagrams. [diagram] 1987 kawasaki bayou 220 wiring diagram full version hd