kancil central lock wiring diagram

Perodua Kelisa Wiring Diagram - Hontoh. 18 Pictures about Perodua Kelisa Wiring Diagram - Hontoh : Installing central locking | How a Car Works, Toyota Yaris Central Locking Wiring Diagram and also Electronic Lock.

Perodua Kelisa Wiring Diagram - Hontoh

Perodua Kelisa Wiring Diagram - Hontoh hontoh.blogspot.com

kelisa perodua

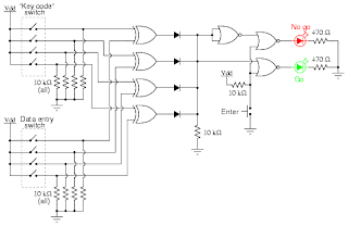
Digital Combination Lock

Digital combination lock www.sm5cbw.se

lock digital diagram combination circuit sm5cbw

A "MEDIA TO GET" ALL DATAS IN ELECTRICAL SCIENCE...!!: Simple

A "MEDIA TO GET" ALL DATAS IN ELECTRICAL SCIENCE...!!: Simple mediatoget.blogspot.com

combination lock simple ic datas electrical science

Carrier Fa4anf036 Wiring Diagram Air Handler - Wiring Diagram Schema

Carrier Fa4anf036 Wiring Diagram Air Handler - Wiring Diagram Schema wiring88.blogspot.com

transducer

Electronic Lock

Electronic Lock www.electronics-diy.com

lock electronic combination circuit diagram schematic based circuits control code seekic security schematics electronics diy door ic software

National Rv Wiring Diagrams - Wiring Diagram Schemas

National Rv Wiring Diagrams - Wiring Diagram Schemas wiringschemas.blogspot.com

winnebago solis class wiring

CAR BRAKE AUTOMATIC DOOR LOCK INSTALLATION – SIMPLE TIPS

CAR BRAKE AUTOMATIC DOOR LOCK INSTALLATION – SIMPLE TIPS kereta.info

brake lock installation automatic door simple tips pedal module universal

Todays Circuits ~ Engineering Projects | : Electronic Combination Lock

Todays Circuits ~ Engineering Projects | : Electronic Combination Lock todayscircuits.blogspot.com

CENTRAL LOCKING SYSTEM

CENTRAL LOCKING SYSTEM www.iftim.cn

system central

Electronic Combination Lock | Detailed Circuit Diagram Available

Electronic Combination Lock | Detailed Circuit Diagram Available www.electronicsforu.com

Installing Central Locking | How A Car Works

Installing central locking | How a Car Works www.howacarworks.com

locking central kit installing door modifications howacarworks

Electronic Circuits And Projects: October 2007

Electronic Circuits And Projects: October 2007 electronicsjunkyard.blogspot.com

projects circuits electronic

Electronic Combination Lock | Detailed Circuit Diagram Available

Electronic Combination Lock | Detailed Circuit Diagram Available electronicsforu.com

lock electronic combination circuit diagram projects fig

Toyota Yaris Central Locking Wiring Diagram

Toyota Yaris Central Locking Wiring Diagram viralbodies.blogspot.com

keyless

Wiring Diagram PDF: 2003 Hyundai Getz Wiring Diagram

Wiring Diagram PDF: 2003 Hyundai Getz Wiring Diagram wiring-pdf.blogspot.com

getz scoupe

Remote Central Locking Wiring Diagram

Remote Central Locking Wiring Diagram wiringdiagramall.blogspot.com

locking central keyless system aftermarket passat installing wiring diagram entry kit instructions b4 remote vw into b3 b5 electrical

Perodua Kelisa Central Lock - Contoh Nda

Perodua Kelisa Central Lock - Contoh Nda contohnda.blogspot.com

kelisa perodua selangor

Simple Combination Lock | Digital Integrated Circuits | Electronics

Simple Combination Lock | Digital Integrated Circuits | Electronics www.allaboutcircuits.com

lock simple combination diagram schematic project digital circuits mini electronics electric illustration integrated allaboutcircuits works main

Getz scoupe. Projects circuits electronic. Electronic circuits and projects: october 2007