julabo chiller sc500a wiring diagram

SHARP INVERTER MANUAL - Auto Electrical Wiring Diagram. 16 Images about SHARP INVERTER MANUAL - Auto Electrical Wiring Diagram : Wiring Diagram Of Generator Changeover Switch - AMKMNS, [OE_6909] 2010 Buick Enclave Cylinder Diagram Wiring Diagram and also SWC530LBI | Summit Appliance.

SHARP INVERTER MANUAL - Auto Electrical Wiring Diagram

SHARP INVERTER MANUAL - Auto Electrical Wiring Diagram app-wiringdiagram.herokuapp.com

sharp inverter manual

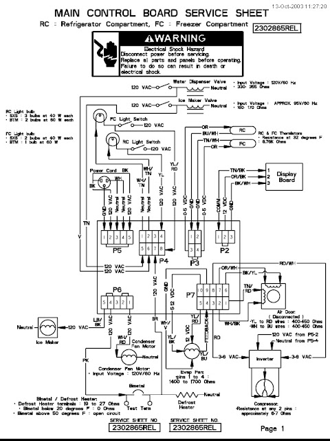
Csr Compressor Wiring Diagram

Csr Compressor Wiring Diagram www.tankbig.com

wiring diagram compressor relay csr refrigerator air voltage type wire circuit pcb

Wiring Diagram K11 | Micra Sports Club

Wiring diagram K11 | Micra Sports Club www.micra.org.uk

micra wiring diagram k11 attachments imag0600

Whirlpool Maytag Customer Assistance: KSSC42FMS00 Air Damper Motor

Whirlpool Maytag Customer Assistance: KSSC42FMS00 Air Damper motor whirlpoolmaytagcustomerassistance.blogspot.com

assistance whirlpool maytag customer trouble shooting tips

Yst York Chiller Wiring Diagram - Wiring Diagram Schemas

Yst York Chiller Wiring Diagram - Wiring Diagram Schemas wiringschemas.blogspot.com

chiller

Anyone Have An Electrical Wiring Diagram Manual? (Seat Wires

Anyone have an electrical wiring diagram manual? (Seat Wires www.clublexus.com

wiring diagram seat electrical manual lexus wires anyone clublexus

Wiring Diagrams

Wiring diagrams www.billjohn.com

wiring sj410

SWC530LBI | Summit Appliance

SWC530LBI | Summit Appliance www.summitappliance.com

I Need A Wiring Diagram For Model 95912 Electric Winch | DIY Forums

I Need A Wiring Diagram For Model 95912 Electric Winch | DIY Forums www.diyforums.net

diagram wiring winch electric need

Wiring Diagram Of Generator Changeover Switch - AMKMNS

Wiring Diagram Of Generator Changeover Switch - AMKMNS amkmns.blogspot.com

Jex Electronics LLC > Circuit Breakers > 300 Amp In-Line Circuit

Jex Electronics LLC > Circuit Breakers > 300 Amp In-Line Circuit www.jex-electronics.com

jex 32v 300a 300amp

1959 Bus Wiring Diagram (USA) | TheGoldenBug.com

1959 Bus Wiring Diagram (USA) | TheGoldenBug.com www.thegoldenbug.com

wiring vw diagram bus 1968 wire 1960 camaro pdf 1959 engine volkswagen switch signal turn 1970 transporter split usa diagrams

Maxx Air Electic Fan Wiring Diagram For 3 Speed Fan 5 Wites From Fan 4

Maxx Air Electic Fan Wiring Diagram For 3 Speed Fan 5 Wites From Fan 4 www.diyforums.net

whol electic wites radiowiring

[HB_0841] Ford Tractor 6610 Alternator Wiring Diagram Free Diagram

[HB_0841] Ford Tractor 6610 Alternator Wiring Diagram Free Diagram ogram.hisre.mohammedshrine.org

ford diagram wiring tractor schematics wire alternator

Whirlpool Maytag Customer Assistance

Whirlpool Maytag Customer Assistance whirlpoolmaytagcustomerassistance.blogspot.com

diagram wiring trouble shooting tips

[OE_6909] 2010 Buick Enclave Cylinder Diagram Wiring Diagram

[OE_6909] 2010 Buick Enclave Cylinder Diagram Wiring Diagram oidei.ariot.unde.kicep.mohammedshrine.org

camshaft enclave traverse 2carpros

Wiring diagram of generator changeover switch. Diagram wiring trouble shooting tips. [hb_0841] ford tractor 6610 alternator wiring diagram free diagram