jlg 2646e2 wiring schematics

Switch wiring - low side, high side, 6 troubleshooting, General | JLG. 18 Images about Switch wiring - low side, high side, 6 troubleshooting, General | JLG : 7 electrical schematics and layouts, Electrical schematic - 1870164g, 280zx Engine Fuse Box Window - Wiring Diagram 89 and also 280zx Engine Fuse Box Window - Wiring Diagram 89.

Switch Wiring - Low Side, High Side, 6 Troubleshooting, General | JLG

Switch wiring - low side, high side, 6 troubleshooting, General | JLG www.manualsdir.com

jlg 260mrt

Upright Scissor Lift Wiring Diagram - Wiring Site Resource

Upright Scissor Lift Wiring Diagram - Wiring Site Resource wiringdatabaseinfo.blogspot.com

scissor upright jlg skyjack schematic snorkel mx19 vr6 jeanjaures37 sportster tukune

Ssr Wiring Schematics – Chevy Ssr Forum – Wiring Forums

Ssr Wiring Schematics – Chevy Ssr Forum – Wiring Forums wiringforums.com

ssr wiring chevy schematics 2004 diagram abs silverado wiringforums

29 Jlg Scissor Lift Wiring Diagram - Wiring Diagram List

29 Jlg Scissor Lift Wiring Diagram - Wiring Diagram List skippingtheinbetween.blogspot.com

jlg wiring scissor 1930es 2646es schematics 3246es 2030es

7 Electrical Schematics And Layouts, Electrical Schematic - 1870164g

7 electrical schematics and layouts, Electrical schematic - 1870164g www.manualsdir.com

jlg 3246es schematics sheet

JLG 3246ES Service Manual User Manual | Page 210 / 216 | Also For

JLG 3246ES Service Manual User Manual | Page 210 / 216 | Also for www.manualsdir.com

jlg 2646es 3246es

Wiring Diagram Jlg - Search Best 4K Wallpapers

Wiring Diagram Jlg - Search Best 4K Wallpapers www.smarts4k.com

jlg diagram

280zx Engine Fuse Box Window - Wiring Diagram 89

280zx Engine Fuse Box Window - Wiring Diagram 89 wooranswhitepages.blogspot.com

fuse 280zx 280z

JLG M4069 Service Manual User Manual | Page 137 / 152 | Also For: M3369

JLG M4069 Service Manual User Manual | Page 137 / 152 | Also for: M3369 www.manualsdir.com

jlg manual service manuals

Please HELP!! I Need The Wiring Schematics For My 1988 Ford F150 4x4

Please HELP!! I need the wiring schematics for my 1988 ford f150 4x4 www.justanswer.com

ford wiring 1988 f150 schematics please need help diagram 4x4 harness electrical shawn technician mechanic service

PATS Wiring Schematics - PowerStrokeNation : Ford Powerstroke Diesel Forum

PATS Wiring Schematics - PowerStrokeNation : Ford Powerstroke Diesel Forum www.powerstrokenation.com

pats wiring ford taurus schematic wire theft engine key pcm pat light

Jlg 450aj Wiring Diagram - Ayurvedaandpanchakarma

Jlg 450aj Wiring Diagram - ayurvedaandpanchakarma ayurvedaandpanchakarma.blogspot.com

jlg 60g 450aj schematics 600s

7 Electrical Schematics And Layouts, Electrical Schematic - 1870164g

7 electrical schematics and layouts, Electrical schematic - 1870164g www.manualsdir.com

manual service jlg 10rs

Jlg 40 Rts Wiring Diagram - Wiring Diagram

Jlg 40 Rts Wiring Diagram - Wiring Diagram wiringdiagram.2bitboer.com

jlg 1930es 2630es 2030es 3246es 2646es manlift

Limit Switch Locations - 2 Of 2 -54 | JLG 3246ES Service Manual User

Limit switch locations - 2 of 2 -54 | JLG 3246ES Service Manual User www.manualsdir.com

jlg 3246es manual service switch locations limit user

2007 BCM Wiring Schematics? - CorvetteForum - Chevrolet Corvette Forum

2007 BCM wiring schematics? - CorvetteForum - Chevrolet Corvette Forum www.corvetteforum.com

bcm wiring schematics 2007 corvetteforum corvette

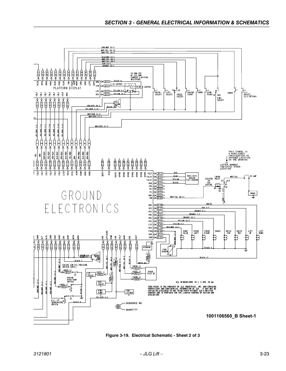
Electrical Schematic - Sheet 2 Of 3 -23 | JLG 260MRT Service Manual

Electrical schematic - sheet 2 of 3 -23 | JLG 260MRT Service Manual www.manualsdir.com

manual jlg 260mrt service

Wiring Diagram For Jlg Scissor Lift 1532 - Wiring Diagram Schemas

Wiring Diagram For Jlg Scissor Lift 1532 - Wiring Diagram Schemas wiringschemas.blogspot.com

wiring jlg snorkel scissor 2020cadillac battery ricon stannah lambretta

Electrical schematic. Upright scissor lift wiring diagram. 280zx engine fuse box window