jerdon mounted mirror wiring diagram

DCA 883459596 Rear View Mirror Wirring Help - Pennock's Fiero Forum. 12 Pictures about DCA 883459596 Rear View Mirror Wirring Help - Pennock's Fiero Forum : Jerdon Hl1016cl 9 5 Inch Led Lighted Wall Mount Makeup Mirror - Mugeek, How do I install a drivers side mirror replacement? I cant figure out and also How do I install a drivers side mirror replacement? I cant figure out.

DCA 883459596 Rear View Mirror Wirring Help - Pennock's Fiero Forum

DCA 883459596 Rear View Mirror Wirring Help - Pennock's Fiero Forum www.fiero.nl

diagram mirror rear gntx gm wiring gmc chevy electrical inside truck diagrams photobucket albums anyone got schematics wirring dca help

JDM Power Folding Mirrors And Using A Relay To Open And Close Them

JDM power folding mirrors and using a relay to open and close them www.sr20-forum.com

jdm

Autodimming Mirror Installation

Autodimming mirror installation www.idmsvcs.com

wiring diagram gentex mirror horn circuit rearview installation harness class

Jdm Power Folding Mirrors To Alarm

jdm power folding mirrors to alarm www.the12volt.com

diagram power folding mirrors jdm alarm

Patent US3609014 - Electric Remote Control Rear View Mirror - Google

Patent US3609014 - Electric remote control rear view mirror - Google www.google.ca

mirror patents remote rear electric control drawing

Jerdon Hl1016cl 9 5 Inch Led Lighted Wall Mount Makeup Mirror - Mugeek

Jerdon Hl1016cl 9 5 Inch Led Lighted Wall Mount Makeup Mirror - Mugeek mugeek.vidalondon.net

jerdon

How Do I Install A Drivers Side Mirror Replacement? I Cant Figure Out

How do I install a drivers side mirror replacement? I cant figure out www.justanswer.com

mirror plug drivers cant install replacement side figure diagram

Chrysler Mirror Wiring - Wiring Diagram

Chrysler Mirror Wiring - Wiring Diagram cars-trucks24.blogspot.com

uconnect chrysler

JDM Folding Mirror Installation Guide

JDM Folding Mirror Installation Guide www.geocities.ws

Donnelly Rear View Mirror Wiring Diagram - Wiring Diagram

Donnelly Rear View Mirror Wiring Diagram - Wiring Diagram wiringdiagram101.blogspot.com

chinese knot knots macrame tutorial diy knotting tying step diagram viele decorative patterns jewelry bracelet tie pattern makramee nice loop

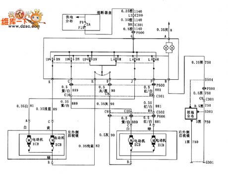
Index 11 - Basic Circuit - Circuit Diagram - SeekIC.com

Index 11 - Basic Circuit - Circuit Diagram - SeekIC.com www.seekic.com

circuit basic mirror exterior control side seekic fig shown

Velvac Wiring Diagram - Complete Wiring Schemas

Velvac Wiring Diagram - Complete Wiring Schemas wiring89.blogspot.com

diagram velvac wiring induction

Uconnect chrysler. Velvac wiring diagram. Dca 883459596 rear view mirror wirring help