jeep xj headlight relay wiring diagram

Jeep Wrangler Headlight wiring diagram with relays - from Yellow LJ. 16 Images about Jeep Wrangler Headlight wiring diagram with relays - from Yellow LJ : Jeep Wrangler Headlight wiring diagram with relays - from Yellow LJ, wiring headlight switch - Jeep Cherokee Forum and also Wiring Diagram Database: 2004 Jeep Grand Cherokee Vacuum Hose Diagram.

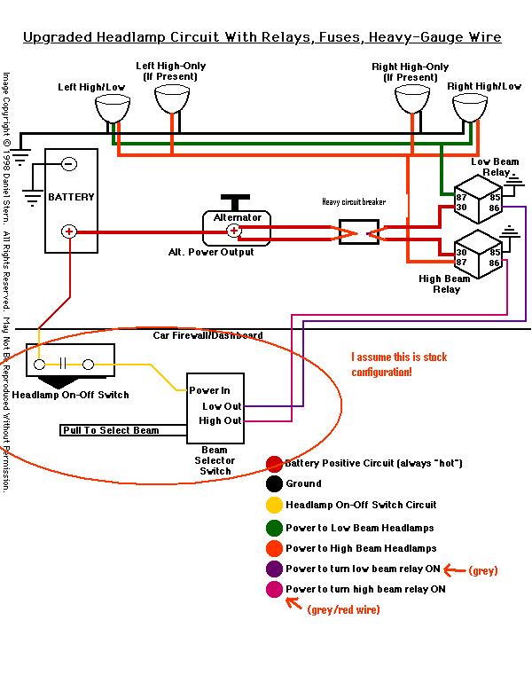
Jeep Wrangler Headlight Wiring Diagram With Relays - From Yellow LJ

Jeep Wrangler Headlight wiring diagram with relays - from Yellow LJ www.pinterest.com

wiring jeep diagram wrangler headlight harness yj jk cherokee yellow headlights tj 2000 lj xj electrical grand relays source 1999

1997 Jeep Wrangler: Headlight Switch..headlamp Is There A Relay

1997 jeep wrangler: Headlight switch..headlamp is there a relay www.justanswer.com

wiring jeep wrangler diagram headlight 1997 tj switch lights dashboard schematic relay headlamp wire harness warning regarding radio headlights 2009

Pictures Wiring Diagram Horn Relay HORN RELAY Simple Throughout Bosch

Pictures Wiring Diagram Horn Relay HORN RELAY Simple Throughout Bosch www.pinterest.com

bosch electrical

Cj Headlight Relay Upgrade - Page 4 - JeepForum.com

cj headlight relay upgrade - Page 4 - JeepForum.com www.jeepforum.com

wiring cj5 relay jeep stephens

Jeep Xj Fog Light Wiring Diagram - Wiring Diagram

Jeep Xj Fog Light Wiring Diagram - Wiring Diagram wiring121.blogspot.com

xj

Jeep Headlight Switch Wiring Diagram - Wiring Diagram Schemas

Jeep Headlight Switch Wiring Diagram - Wiring Diagram Schemas wiringschemas.blogspot.com

wiring light jeep fog xj cherokee diagram oem headlight switch

Pin On Wiring Diagram

Pin on wiring diagram www.pinterest.com

wiring diagram relay horn wire switch power ground headlight jeep basic pump air horns light vw bookingritzcarlton info current electrical

33 Gm Headlight Switch Wiring Diagram - Wire Diagram Source Information

33 Gm Headlight Switch Wiring Diagram - Wire Diagram Source Information wiringdiagrammechanic.blogspot.com

headlight diagram wiring relay switch gmc gm torino chevy halo beam wire low simple truck light headlights persh schematic question

Wiring Headlight Switch - Jeep Cherokee Forum

wiring headlight switch - Jeep Cherokee Forum www.cherokeeforum.com

headlights wiring headlight switch flashing random jeep cherokee location cherokeeforum

Aux Light Wiring Diagram 5 Wire Relay | Wiring Diagram, Electrical

Aux Light Wiring Diagram 5 Wire Relay | Wiring diagram, Electrical www.pinterest.com

Wiring Diagram Database: 2004 Jeep Grand Cherokee Vacuum Hose Diagram

Wiring Diagram Database: 2004 Jeep Grand Cherokee Vacuum Hose Diagram wiringdiagram99.blogspot.com

diagram wiring vacuum s10 hose chevrolet tbi engine routing 3l 1986 ac database diagrams 2004 astro 1996 repair jeep cherokee

Hooking Up LED Lights Turn On Like Dome Lights

Hooking up LED lights turn on like dome lights www.cherokeetalk.com

wiring xj diagram lights

2001 Jeep Wrangler Signal Wiring

2001 Jeep Wrangler Signal Wiring buyeagleaspendtv4x815887.blogspot.com

grand jeep cherokee bcm module control body wrangler 2001 wiring sport 2005 jeepforum hood switch xj where draining limited signal

HORN RELAY Simple Wiring Within Horn Diagram With Relay Best Of | Car

HORN RELAY Simple Wiring Within Horn Diagram With Relay Best Of | Car www.pinterest.com

wiring relay diagram horn simple motorcycle circuit amp headlight

Jeep Jk Reverse Light Wiring Diagram - Wiring Diagram

Jeep Jk Reverse Light Wiring Diagram - Wiring Diagram wiring121.blogspot.com

wrangler jk

60 Jeep Xj Tail Light Wiring Diagram - Wiring Diagram Harness

60 Jeep Xj Tail Light Wiring Diagram - Wiring Diagram Harness wiringdiagramharnessideas.blogspot.com

wiring xj

Jeep jk reverse light wiring diagram. 60 jeep xj tail light wiring diagram. 1997 jeep wrangler: headlight switch..headlamp is there a relay