jeep wiring color codes

How do I get the radio wiring harness color codes for a 88 jeep. 17 Images about How do I get the radio wiring harness color codes for a 88 jeep : What color is the starter wire under dash on Jeep Wrangler, How do I get the radio wiring harness color codes for a 88 jeep and also 2006 Dodge Charger Factory Amp Wiring Diagram - How Much?.

How Do I Get The Radio Wiring Harness Color Codes For A 88 Jeep

How do I get the radio wiring harness color codes for a 88 jeep www.justanswer.com

JeepForum.com - Please Help W/Nutter - Different Wire Colors

JeepForum.com - Please help w/Nutter - different wire colors www.jeepforum.com

ignition lh5 ggpht wire sg

Wiring Code For Multi-function Plug - Jeep Wrangler Forum

Wiring Code for multi-function plug - Jeep Wrangler Forum www.wranglerforum.com

wiring wrangler jeep plug function multi code

Wiring Colour Code - JUENAALIAS

Wiring Colour Code - JUENAALIAS juenaalias.blogspot.com

auxiliary trunking rubicon

Car Audio Wire Diagram Codes BMW - Factory Car Stereo Repair - Bose

Car Audio Wire Diagram Codes BMW - Factory Car Stereo Repair - Bose carstereohelp.net

wire factory harness bmw codes speaker cut radio repair mislead different want stereo

1992 Chevrolet Caprice Wiring Schematic | Schematic And Wiring Diagram

1992 Chevrolet Caprice Wiring Schematic | schematic and wiring diagram schematicandwiringdiagram.blogspot.com

caprice cherokee

I Put A New Dash Panel In My Jeep. Some Of The Wiring Labels Came Off

I put a new dash panel in my Jeep. Some of the wiring labels came off www.justanswer.com

jeep wiring dash labels panel put came regards greg

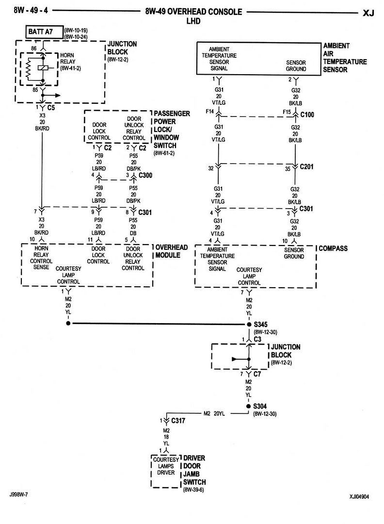
Keyless Entry Wiring. Anyone Know The Color Code? - Jeep Cherokee Forum

keyless entry wiring. anyone know the color code? - Jeep Cherokee Forum www.cherokeeforum.com

keyless wiring anyone entry code know

Need A Wiring Diagram For 2000 Grand Cherokee Laredo Instrument : 35

Need A Wiring Diagram For 2000 Grand Cherokee Laredo Instrument : 35 afiqroslyyyy.blogspot.com

laredo wrangler instrument wj

Jeep Cj2a Wiring Diagram

Jeep Cj2a Wiring Diagram diagramweb.net

willys cj2a cj signal cj7 schematics m38 ewillys mahindra toggle diagrams 1955 cj3a dj5 mainetreasurechest powerstroke 12v harness wiringg

20 Inspirational 2004 Jeep Grand Cherokee Radio Wiring Diagram

20 Inspirational 2004 Jeep Grand Cherokee Radio Wiring Diagram bosco-mylove.blogspot.com

mach crutchfield

Jeep Cj2a Wiring Diagram

Jeep Cj2a Wiring Diagram diagramweb.net

wiring cj2a

Keyless Entry Wiring. Anyone Know The Color Code? - Jeep Cherokee Forum

keyless entry wiring. anyone know the color code? - Jeep Cherokee Forum www.cherokeeforum.com

wiring entry keyless code anyone know jeep cherokee attachment

Keyless Entry Wiring. Anyone Know The Color Code? - Jeep Cherokee Forum

keyless entry wiring. anyone know the color code? - Jeep Cherokee Forum www.cherokeeforum.com

wiring code keyless entry anyone know cherokee jeep module rke attachment

Pin On O2sensor

Pin on o2sensor www.pinterest.com

sensor o2 wiring wire diagram oxygen ford gm codes wires downstream sensors dodge code chevy colour chart bmw mazda coding

What Color Is The Starter Wire Under Dash On Jeep Wrangler

What color is the starter wire under dash on Jeep Wrangler www.justanswer.com

jeep starter wiring wrangler wire 89ff 458e

2006 Dodge Charger Factory Amp Wiring Diagram - How Much?

2006 Dodge Charger Factory Amp Wiring Diagram - How Much? howmuchreview.blogspot.com

charger bypassing

Wiring colour code. Wire factory harness bmw codes speaker cut radio repair mislead different want stereo. Keyless entry wiring. anyone know the color code?