jeep windsheild wipers wiring diagram 2005

95 grand cherokee laredo the windshield wipers just stopped working a. 8 Images about 95 grand cherokee laredo the windshield wipers just stopped working a : Rear Windshield Wiper Motor Wiring - Wiring Forums, Rear Windshield Wiper Motor Wiring - Wiring Forums and also 95 grand cherokee laredo the windshield wipers just stopped working a.

95 Grand Cherokee Laredo The Windshield Wipers Just Stopped Working A

95 grand cherokee laredo the windshield wipers just stopped working a www.justanswer.com

wiper jeep cherokee grand relay 1995 laredo module intermittent fuse windshield switch wiring 1993 diagram wipers problem jumped working justanswer

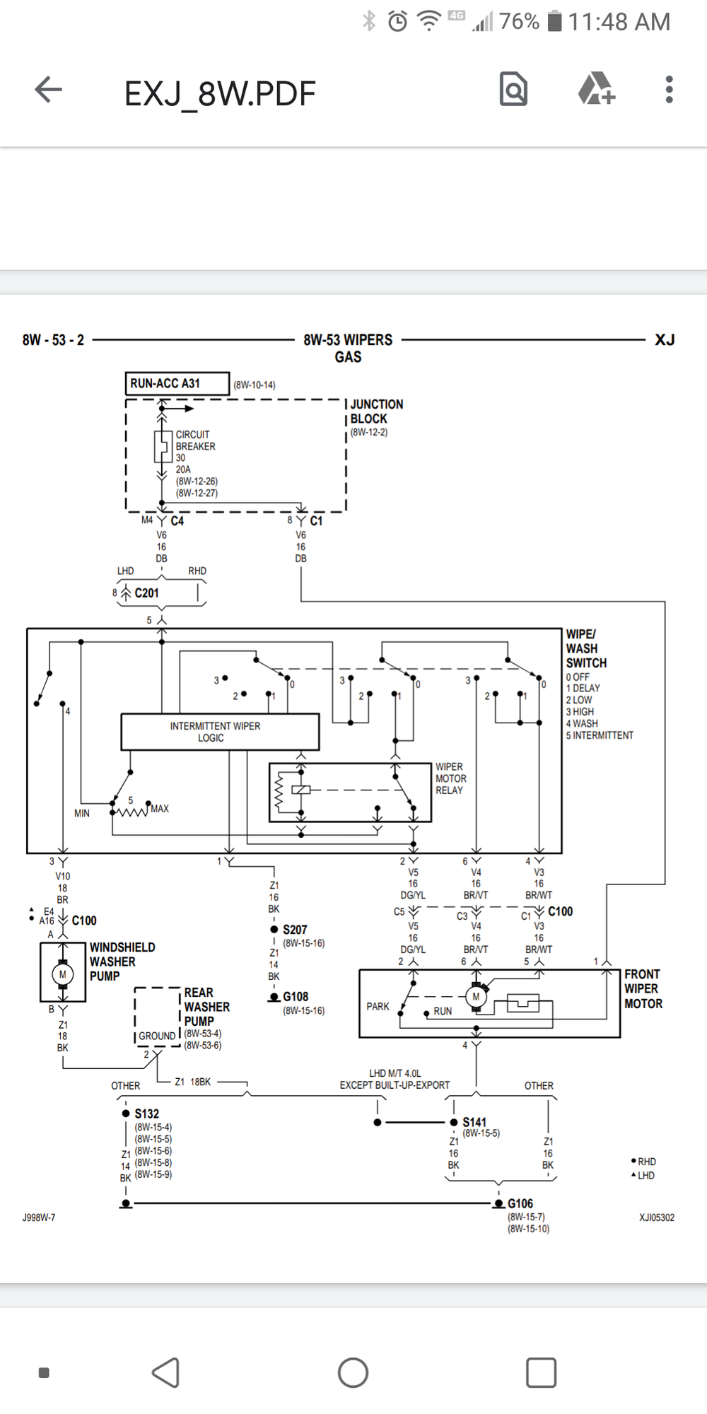
31 Wiping Front To Back Diagram - Wiring Diagram List

31 Wiping Front To Back Diagram - Wiring Diagram List skippingtheinbetween.blogspot.com

wiring wiping

Fuse Panel Location And Testing Please?: My Windshield Wipers,

Fuse Panel Location and Testing Please?: My Windshield Wipers, www.2carpros.com

fuse testing panel sponsored location please links

Wiper Issues - Jeep Cherokee Forum

Wiper issues - Jeep Cherokee Forum www.cherokeeforum.com

Rear Windshield Wiper Motor Wiring - Wiring Forums

Rear Windshield Wiper Motor Wiring - Wiring Forums wiringforums.com

wiper wiring diagram motor rear windshield jeep wrangler 2000 corvette 1997 i1 1965 bright database source wiringforums px

Rear Wiper Motor Wiring Diagram

Rear Wiper Motor Wiring Diagram www.chanish.org

wiper ongaro yj imageservice windshield radiothek iq xj wj

Fuse Panel Location And Testing Please?: My Windshield Wipers,

Fuse Panel Location and Testing Please?: My Windshield Wipers, www.2carpros.com

fuse testing panel location please

Rear Windshield Wiper Motor Wiring - Wiring Forums

Rear Windshield Wiper Motor Wiring - Wiring Forums wiringforums.com

wiper wiring motor diagram rear windshield jeep wrangler 2000 corvette 1997 1965 i1 bright database source wiringforums px

Fuse testing panel sponsored location please links. 31 wiping front to back diagram. Wiper wiring motor diagram rear windshield jeep wrangler 2000 corvette 1997 1965 i1 bright database source wiringforums px