jeep power window motor wiring diagram

6 Pin Momentary Switch Wiring Diagram - Wiring Diagram Schemas. 11 Pics about 6 Pin Momentary Switch Wiring Diagram - Wiring Diagram Schemas : [OO_9888] Relay Switch Dodge Caliber Download Diagram, Wiring Diagram Problem Jeep - espressorose and also 6 Pin Momentary Switch Wiring Diagram - Wiring Diagram Schemas.

6 Pin Momentary Switch Wiring Diagram - Wiring Diagram Schemas

6 Pin Momentary Switch Wiring Diagram - Wiring Diagram Schemas wiringschemas.blogspot.com

wiring switch diagram momentary

6 Pin Momentary Switch Wiring Diagram - Wiring Diagram Schemas

6 Pin Momentary Switch Wiring Diagram - Wiring Diagram Schemas wiringschemas.blogspot.com

switch window power wiring diagram miata electric diy keyless happening ignition finally wire windows info momentary electrical custom schematic switches

F150 Rear Window Defroster Wiring Schematic - Wiring Diagram & Schemas

F150 Rear Window Defroster Wiring Schematic - Wiring Diagram & Schemas wiringideas.blogspot.com

defroster f150 repair grids

Jeep Cherokee 2012 Front Fuse Box/Block Circuit Breaker Diagram

Jeep Cherokee 2012 Front Fuse Box/Block Circuit Breaker Diagram www.carfusebox.com

jeep cherokee fuse diagram 1988 box circuit breaker block carfusebox

89 Jeep YJ Wiring Diagram | JEEP-WRANGLER-YJ-Electrical-Service

89 Jeep YJ Wiring Diagram | JEEP-WRANGLER-YJ-Electrical-Service www.pinterest.com

wiring jeep diagrams electrical yj cj7 cj diagram wrangler guide b5 ignition schematics engine fuse

1972 Cutlass Wiring Schematic - Wiring Diagram

1972 Cutlass Wiring Schematic - Wiring Diagram wiringdiagram.2bitboer.com

wiring 1972 diagram cutlass schematic wire f85 system datsun

PHILLIPS LCD TV MANUAL - Auto Electrical Wiring Diagram

PHILLIPS LCD TV MANUAL - Auto Electrical Wiring Diagram electrowiring.herokuapp.com

manual phillips lcd tv sony diagram wiring

Wiring Diagram Problem Jeep - Espressorose

Wiring Diagram Problem Jeep - espressorose espressorose.blogspot.com

'97-'01 Jeep Cherokee XJ Fuse Box Diagram

'97-'01 Jeep Cherokee XJ Fuse Box Diagram knigaproavto.ru

fuse box jeep diagram cherokee xj wrangler tj 1997 1999 2001 ru ignition

[OO_9888] Relay Switch Dodge Caliber Download Diagram

[OO_9888] Relay Switch Dodge Caliber Download Diagram anist.ricis.lious.elec.mohammedshrine.org

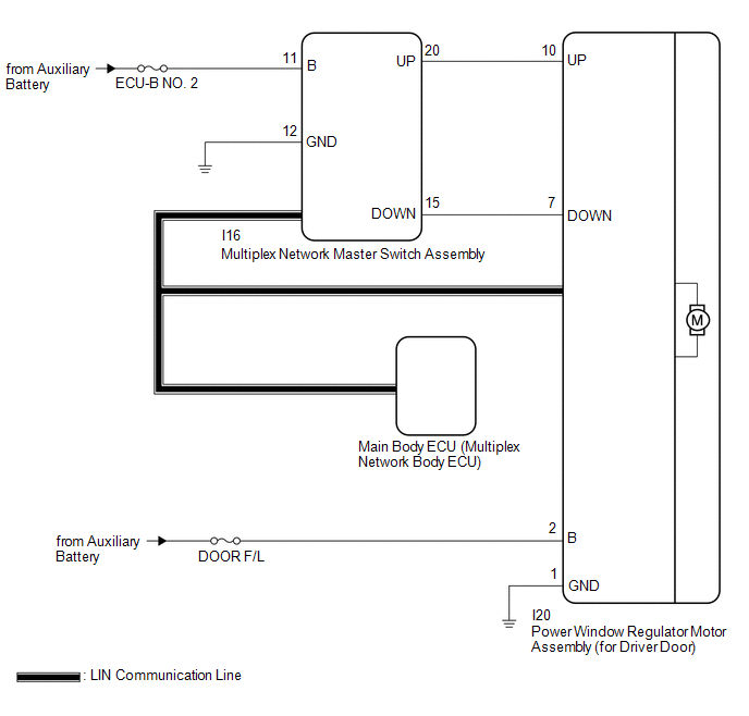
Toyota Avalon Service & Repair Manual - Driver Side Power Window Does

Toyota Avalon Service & Repair Manual - Driver Side Power Window does www.tavalon.net

operate hint caution tavalon

Toyota avalon service & repair manual. Manual phillips lcd tv sony diagram wiring. Wiring 1972 diagram cutlass schematic wire f85 system datsun