jeep kc lights wiring

Jeep Kc Lights Wiring | schematic and wiring diagram. 17 Pics about Jeep Kc Lights Wiring | schematic and wiring diagram : Jeep Kc Lights Wiring | schematic and wiring diagram, KC HiLiTES Replacement Fog Light for 97-04 Jeep Wrangler TJ & Unlimited and also KC HiLiTES 6″ Pro-Sport Gravity LED Lights Model 644 | jeepfan.com.

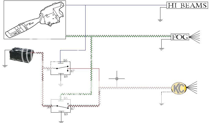
Jeep Kc Lights Wiring | Schematic And Wiring Diagram

Jeep Kc Lights Wiring | schematic and wiring diagram schematicandwiringdiagram.blogspot.com

wrangler hilites

Better Back Up Lamp Install - Page 2 - JK-Forum.com - The Top

Better back up lamp install - Page 2 - JK-Forum.com - The top www.jk-forum.com

install lamp better schematic shows way wire jk

401 CJ7 JEEP BUILDUP

401 CJ7 JEEP BUILDUP quadra-trac-jeep-cj7-buildup.blogspot.com

cj7 wiring tail light jeep buildup

Looking For A Live Wire For The Fog Lights. - JeepForum.com

Looking for a live wire for the fog lights. - JeepForum.com www.jeepforum.com

lights

KC Hilites 69 Series Long Range Light Kit

KC Hilites 69 Series Long Range Light Kit www.autoaccessoriesgarage.com

kc hilites

Wiring Up Some Lights - Page 2 - Jeep Cherokee Forum

Wiring up some lights - Page 2 - Jeep Cherokee Forum www.cherokeeforum.com

wiring lights

Wiring Up Some Lights - Jeep Cherokee Forum

Wiring up some lights - Jeep Cherokee Forum www.cherokeeforum.com

wiring lights wire amps distance kc mounted build thread

New KC HiLiTES Cyclone LED Accessory Lights - UTV Guide

New KC HiLiTES Cyclone LED Accessory Lights - UTV Guide www.utvguide.net

kc hilites cyclone led accessory lights light

NEWB HELP WITH KC OFF LONG RANGE LIGHTS WIRING Questions - JK-Forum.com

NEWB HELP WITH KC OFF LONG RANGE LIGHTS WIRING questions - JK-Forum.com www.jk-forum.com

newb

Quadratec Tow Hitch Wiring Harness For 18-21 Jeep Wrangler JL | Quadratec

Quadratec Tow Hitch Wiring Harness for 18-21 Jeep Wrangler JL | Quadratec www.quadratec.com

jeep hitch wrangler jl tow harness wiring receiver quadratec plug premium

NEWB HELP WITH KC OFF LONG RANGE LIGHTS WIRING Questions - JK-Forum.com

NEWB HELP WITH KC OFF LONG RANGE LIGHTS WIRING questions - JK-Forum.com www.jk-forum.com

i1118 newb kc

Pilot Automotive Plug-n-Play LED Tail Light Set For 91-97 Jeep Wrangler

Pilot Automotive Plug-n-Play LED Tail Light Set for 91-97 Jeep Wrangler www.quadratec.com

jeep tail wrangler led tj light yj automotive plug pilot play unlimited quadratec

Jeep Cherokee Dome Light Wiring

Jeep cherokee dome light wiring automotorpad.com

justanswer

Stainless Steel 5" Baja KC Style Off Road Lights 100W Truck Jeep SS

Stainless Steel 5" Baja KC Style Off Road Lights 100W truck jeep SS www.ebay.com

covers road truck kc 100w baja jeep ss stainless lights steel

KC HiLiTES Replacement Fog Light For 97-04 Jeep Wrangler TJ & Unlimited

KC HiLiTES Replacement Fog Light for 97-04 Jeep Wrangler TJ & Unlimited www.quadratec.com

kc fog jeep wrangler tj replacement hilites light 100w slimlite pair super unlimited quadratec pack

Installing Alarm, Need Wiring Info (dome Light, Parking Lights, Etc

Installing alarm, need wiring info (dome light, parking lights, etc www.jk-forum.com

parking wiring jk light alarm lights dome lighter power cigarette jeep wrangler 12v kick jl there harness ignition steering under

KC HiLiTES 6″ Pro-Sport Gravity LED Lights Model 644 | Jeepfan.com

KC HiLiTES 6″ Pro-Sport Gravity LED Lights Model 644 | jeepfan.com www.jeepfan.com

switch jk ridge pillar pod rugged hilites kc led gravity lights sport pro wrangler jeepfan jeep kit switches

Pilot automotive plug-n-play led tail light set for 91-97 jeep wrangler. Jeep cherokee dome light wiring. Install lamp better schematic shows way wire jk