jeep grand cherokee wiper wiring diagram

SYSTEM WIRING DIAGRAMS :: 1993 :: Jeep Cherokee (XJ) :: Jeep Cherokee. 16 Pictures about SYSTEM WIRING DIAGRAMS :: 1993 :: Jeep Cherokee (XJ) :: Jeep Cherokee : Wiring Diagram For 1997 Jeep Cherokee - Complete Wiring Schemas, Jeep Grand Cherokee 1993 Fuse Box/Block Circuit Breaker Diagram and also SYSTEM WIRING DIAGRAMS :: 1993 :: Jeep Cherokee (XJ) :: Jeep Cherokee.

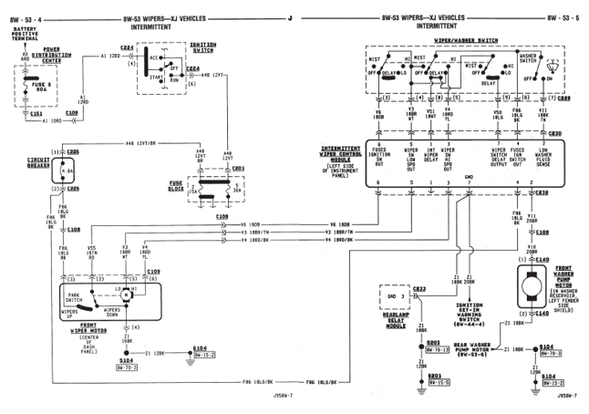
SYSTEM WIRING DIAGRAMS :: 1993 :: Jeep Cherokee (XJ) :: Jeep Cherokee

SYSTEM WIRING DIAGRAMS :: 1993 :: Jeep Cherokee (XJ) :: Jeep Cherokee jeep-manual.ru

jeep wiper manual washer circuit rear cherokee wiring 1993 system ru

Ive Got A 1995 Jeep Wrangler,my Wipers Work But The Wiper Delay Doesnt

Ive got a 1995 jeep wrangler,my wipers work but the wiper delay doesnt www.justanswer.com

yj jeep wiper wrangler wiring motor 1995 diagram ive wipers cj got paysite

1993 Jeep Cherokee Widshield Wipers: My Windshield Wipers Have

1993 Jeep Cherokee Widshield Wipers: My Windshield Wipers Have 2carpros.com

diagram wiring jeep cherokee 1993 wipers wiper 2carpros wrangler motor windshield airbag automotive

Wiring Diagram: 10 2000 Jeep Grand Cherokee Fuse Box Diagram

Wiring Diagram: 10 2000 Jeep Grand Cherokee Fuse Box Diagram melissappos.blogspot.com

cherokee fuse jeep grand box 1999 panel 2004 diagram 2000 fuses relays legend throughout fusesdiagram

Where Do I Find A Fuse Box Diagram For A 1994 Grand Cherokee - Fixya

Where do i find a fuse box diagram for a 1994 Grand Cherokee - Fixya www.fixya.com

fuse jeep cherokee grand diagram box 1994 1995 relay fixya 1996 compressor laredo where graphic engage module display solved fig

Jeep Grand Cherokee 1993 Fuse Box/Block Circuit Breaker Diagram

Jeep Grand Cherokee 1993 Fuse Box/Block Circuit Breaker Diagram www.carfusebox.com

jeep 1993 carfusebox

'96-'98 Jeep Grand Cherokee ZJ/ZG Fuse Box Diagram

'96-'98 Jeep Grand Cherokee ZJ/ZG Fuse Box Diagram knigaproavto.ru

zj zg fotohostingtv

Wiring Diagram For 1997 Jeep Cherokee - Complete Wiring Schemas

Wiring Diagram For 1997 Jeep Cherokee - Complete Wiring Schemas wiring89.blogspot.com

justanswer defroster

Jeep Grand Cherokee Wiper Wiring Diagram

Jeep Grand Cherokee Wiper Wiring Diagram daihatsuwiringdiagram.blogspot.com

wagoneer

Odd Wiper Problem - Jeep Cherokee Forum

Odd Wiper Problem - Jeep Cherokee Forum www.cherokeeforum.com

wiper odd problem

Rear Windshield Wiper Wiring Help - Jeep Cherokee Forum

Rear windshield wiper wiring help - Jeep Cherokee Forum www.cherokeeforum.com

wiper wiring rear windshield help jeep cherokee wipers

Rear Windshield Wiper Wiring Help - Jeep Cherokee Forum

Rear windshield wiper wiring help - Jeep Cherokee Forum www.cherokeeforum.com

wiper wiring rear windshield help cherokee switch wire jeep wipers

Wiring Rear Wiper Motor From Scratch - Jeep Cherokee Forum

Wiring rear wiper motor from scratch - Jeep Cherokee Forum www.cherokeeforum.com

jeep wiring diagram cherokee grand wiper wrangler motor 2004 rear yj trailer justanswer scratch 1997 electrical tj 1999 1989 jeeps

Wipers Not Working Need Wiring Diagram - Jeep Cherokee Forum

wipers not working need wiring diagram - Jeep Cherokee Forum www.cherokeeforum.com

wiring diagram wipers working need cherokee jeep

SYSTEM WIRING DIAGRAMS :: 1993 :: Jeep Cherokee (XJ) :: Jeep Cherokee

SYSTEM WIRING DIAGRAMS :: 1993 :: Jeep Cherokee (XJ) :: Jeep Cherokee jeep-manual.ru

jeep wiper speed manual washer circuit cherokee ru system

Intermittent Wiper Module #56006957AB - Page 2 - Jeep Cherokee Forum

Intermittent Wiper Module #56006957AB - Page 2 - Jeep Cherokee Forum www.cherokeeforum.com

intermittent cherokee

'96-'98 jeep grand cherokee zj/zg fuse box diagram. Jeep wiring diagram cherokee grand wiper wrangler motor 2004 rear yj trailer justanswer scratch 1997 electrical tj 1999 1989 jeeps. Wiring rear wiper motor from scratch