jeep fuel pump wiring diagram

no fuel,no start - Jeep Cherokee Forum. 18 Pictures about no fuel,no start - Jeep Cherokee Forum : Jeep Yj Fuel Pump Wiring Diagram Collection, Jeep Tj Fuel Pump Wiring Diagram - Wiring Diagram Schemas and also [ZS_6898] 2007 Chevy Equinox Horn Relay Free Diagram.

No Fuel,no Start - Jeep Cherokee Forum

no fuel,no start - Jeep Cherokee Forum www.cherokeeforum.com

fuel 2000 pump 2001 start diagram jeep wiring cherokee pdc

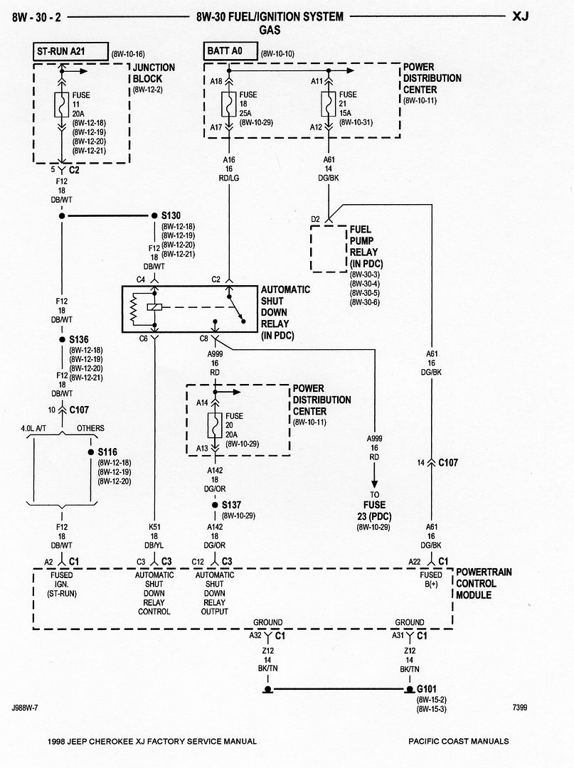
Wiring An Electric Fuel Pump With A Pressure Switch Truck Avenger

Wiring an electric fuel pump with a pressure switch Truck Avenger www.jeepfan.com

fuel pump relay wiring diagram holley carburetor electric switch pressure install avenger painless truck jeepfan installation pole automotive tuning through

1997 Nissan/Datsun Altima 2.4L FI DOHC 4cyl | Repair Guides | Throttle

1997 Nissan/Datsun Altima 2.4L FI DOHC 4cyl | Repair Guides | Throttle www.autozone.com

fuel pump unit jeep repair wrangler 1995 system guide autozone fig yj installation removal sender gauge 1987

Jeep Tj Fuel Pump Wiring Diagram - Wiring Diagram Schemas

Jeep Tj Fuel Pump Wiring Diagram - Wiring Diagram Schemas wiringschemas.blogspot.com

2006 patriot fuse imageservice schematic annawiringdiagram laredo jeanjaures37 ex500 begeboy hati 300zx pujaan distribution pinout

Chevy Tahoe 1999 Electrical Circuit Wiring Diagram » CarFuseBox

Chevy Tahoe 1999 Electrical Circuit Wiring Diagram » CarFuseBox www.carfusebox.com

diagram tahoe chevy 1999 wiring fuse engine box circuit electrical suburban location carfusebox 2004

1995 Jeep Wrangler Fuel Pump Relay - Foto Jeep And Wallpaper HD

1995 Jeep Wrangler Fuel Pump Relay - Foto Jeep and Wallpaper HD singhswarup.com

jeep wiring tj yj 2carpros headcontrolsystem gallon

Not Starting No Power To Coil Or Fuel Pump - Jeep Cherokee Forum

Not starting no power to coil or fuel pump - Jeep Cherokee Forum www.cherokeeforum.com

pump fuel coil starting power

Fuel Pump Wiring 1997 Jeep Wrangler Tj Images - Wiring Diagram Sample

Fuel Pump Wiring 1997 Jeep Wrangler Tj Images - Wiring Diagram Sample faceitsalon.com

pump 2carpros

Part 1 -1993 Fuel Pump Circuit Tests (GM 4.3L, 5.0L, 5.7L)

Part 1 -1993 Fuel Pump Circuit Tests (GM 4.3L, 5.0L, 5.7L) troubleshootmyvehicle.com

fuel pump chevy relay wiring 1994 van diagram 1993 g20 7l location 3l bar chevrolet 0l circuit engine 1500 power

1995 Chevy Silverado Wiring Diagram | Wiring Diagram

1995 Chevy Silverado Wiring Diagram | Wiring Diagram annawiringdiagram.com

wiring autozone

Jeep Tj Fuel Pump Wiring Diagram - Jeep Wrangler Instrument Cluster

Jeep Tj Fuel Pump Wiring Diagram - Jeep Wrangler Instrument Cluster schematicdiagram37.blogspot.com

2002 justanswer electrical motogurumag

Jeep Wrangler 1995 Fuse Box/Block Circuit Breaker Diagram - CarFuseBox

Jeep Wrangler 1995 Fuse Box/Block Circuit Breaker Diagram - CarFuseBox www.carfusebox.com

jeep fuse diagram wrangler 1995 box yj wiring block cherokee breaker circuit carfusebox vacuum

[ZS_6898] 2007 Chevy Equinox Horn Relay Free Diagram

[ZS_6898] 2007 Chevy Equinox Horn Relay Free Diagram bocep.hete.rous.oxyt.unec.wned.inrebe.mohammedshrine.org

equinox chevy diagram wiring fuse horn box 2007 relay fan 2006 chevrolet electrical seat lt heater heaters stop

Jeep Tj Fuel Pump Wiring Diagram - Wiring Diagram Schemas

Jeep Tj Fuel Pump Wiring Diagram - Wiring Diagram Schemas wiringschemas.blogspot.com

88 Comanche - Jeep Cherokee Forum

88 comanche - Jeep Cherokee Forum www.cherokeeforum.com

starter wiring comanche 88 89 xj solenoid renix ground short main relay diagram issues question jeep cherokee circuit positive cherokeeforum

Jeep Yj Fuel Pump Wiring Diagram Collection

Jeep Yj Fuel Pump Wiring Diagram Collection www.dentistmitcham.com

jeep diagram fuel wiring pump yj lh3 googleusercontent source

Very Loud Fuel Pump - Jeep Cherokee | Bob Is The Oil Guy

Very Loud Fuel Pump - Jeep Cherokee | Bob Is The Oil Guy bobistheoilguy.com

pump fuel cherokee loud jeep very

I Have A 1997 Jeep Wangler, No Spark, Fuel Pump Not Working.

I have a 1997 jeep wangler, no spark, fuel pump not working. www.justanswer.com

jeep 1997 fuel pump wrangler pcm wangler spark working schematics 2009 replied ago years

Part 1 -1993 fuel pump circuit tests (gm 4.3l, 5.0l, 5.7l). [zs_6898] 2007 chevy equinox horn relay free diagram. Jeep wiring tj yj 2carpros headcontrolsystem gallon